Poulan / Weed Eater RT900 (96092002600) - Poulan Pro Rear-Tine Tiller (2010-12) TRANSMISSION Ersatzteile
TRANSMISSION RT900 (96092002600) - Poulan Pro Rear-Tine Tiller (2010-12)

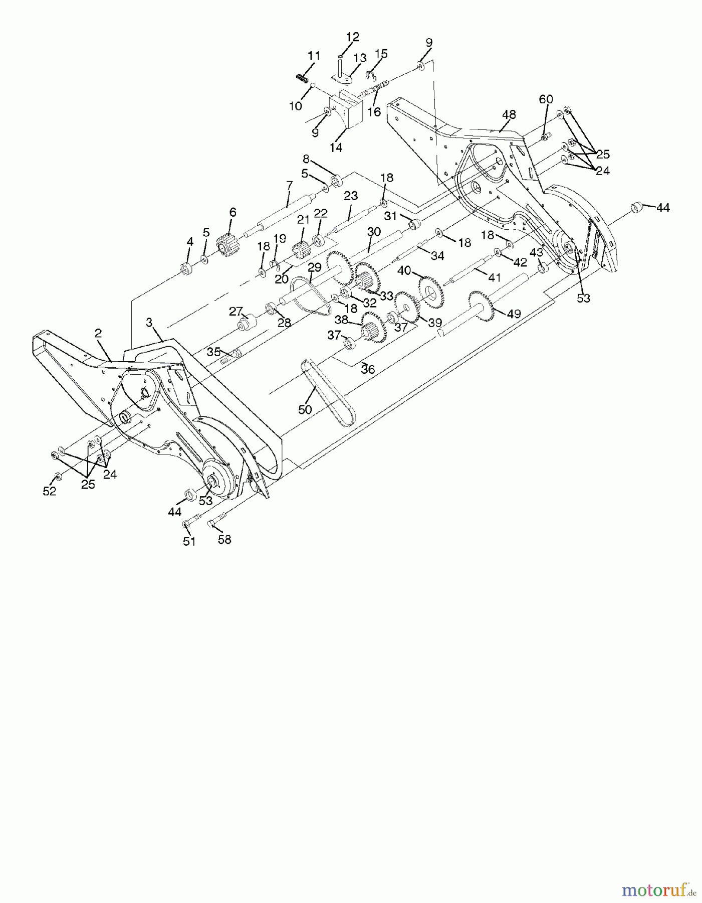
Hier finden Sie die Ersatzteilzeichnung für Poulan / Weed Eater Motorhacken / Kultivierer RT900 (96092002600) - Poulan Pro Rear-Tine Tiller (2010-12) TRANSMISSION. Wählen Sie das benötigte Ersatzteil aus der Ersatzteilliste Ihres Poulan / Weed Eater Gerätes aus und bestellen Sie einfach online. Viele Poulan / Weed Eater Ersatzteile halten wir ständig in unserem Lager für Sie bereit.


Qualitätsmanagement
Informieren Sie uns, wenn Sie einen Fehler gefunden haben.

