Poulan / Weed Eater PRRT900 (96092002700) - Poulan Pro Rear-Tine Tiller (2011-01) TRANSMISSION Ersatzteile
TRANSMISSION PRRT900 (96092002700) - Poulan Pro Rear-Tine Tiller (2011-01)

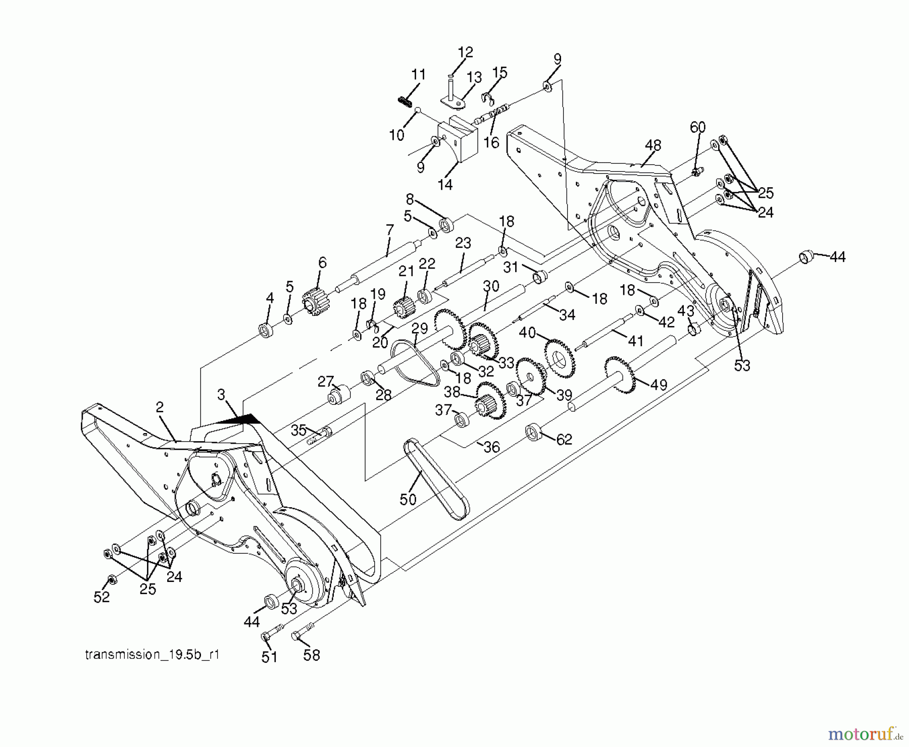
Hier finden Sie die Ersatzteilzeichnung für Poulan / Weed Eater Motorhacken / Kultivierer PRRT900 (96092002700) - Poulan Pro Rear-Tine Tiller (2011-01) TRANSMISSION. Wählen Sie das benötigte Ersatzteil aus der Ersatzteilliste Ihres Poulan / Weed Eater Gerätes aus und bestellen Sie einfach online. Viele Poulan / Weed Eater Ersatzteile halten wir ständig in unserem Lager für Sie bereit.



