Poulan / Weed Eater PPRT8JA - Poulan Pro Rear-Tine Tiller TRANSMISSION Ersatzteile
TRANSMISSION PPRT8JA - Poulan Pro Rear-Tine Tiller

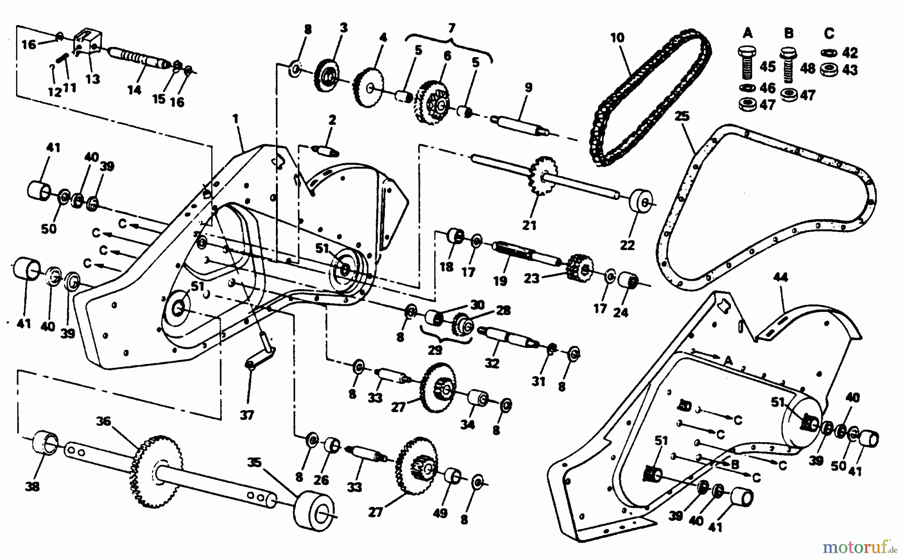
Hier finden Sie die Ersatzteilzeichnung für Poulan / Weed Eater Motorhacken / Kultivierer PPRT8JA - Poulan Pro Rear-Tine Tiller TRANSMISSION. Wählen Sie das benötigte Ersatzteil aus der Ersatzteilliste Ihres Poulan / Weed Eater Gerätes aus und bestellen Sie einfach online. Viele Poulan / Weed Eater Ersatzteile halten wir ständig in unserem Lager für Sie bereit.


Qualitätsmanagement
Informieren Sie uns, wenn Sie einen Fehler gefunden haben.

