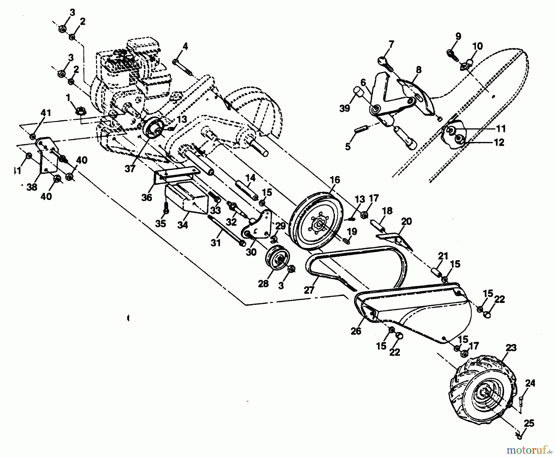
Poulan / Weed Eater PPRT5K - Poulan Pro Rear-Tine Tiller MAINFRAME, LEFT SIDE Ersatzteile
MAINFRAME, LEFT SIDE PPRT5K - Poulan Pro Rear-Tine Tiller

Hier finden Sie die Ersatzteilzeichnung für Poulan / Weed Eater Motorhacken / Kultivierer PPRT5K - Poulan Pro Rear-Tine Tiller MAINFRAME, LEFT SIDE. Wählen Sie das benötigte Ersatzteil aus der Ersatzteilliste Ihres Poulan / Weed Eater Gerätes aus und bestellen Sie einfach online. Viele Poulan / Weed Eater Ersatzteile halten wir ständig in unserem Lager für Sie bereit.


Qualitätsmanagement
Informieren Sie uns, wenn Sie einen Fehler gefunden haben.



