Poulan / Weed Eater PPRT5 - Poulan Pro Rear-Tine Tiller TINES Ersatzteile
TINES PPRT5 - Poulan Pro Rear-Tine Tiller

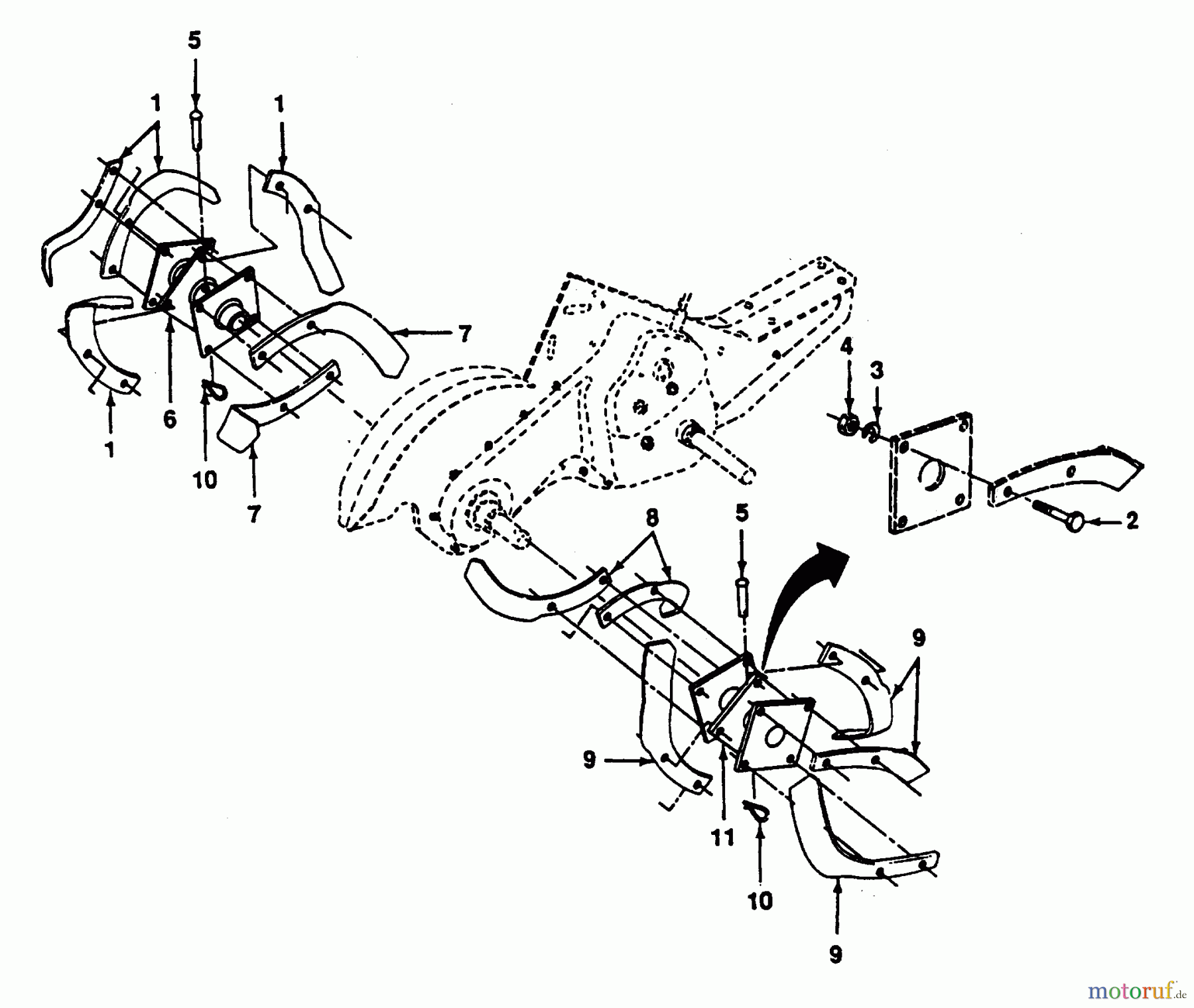
Hier finden Sie die Ersatzteilzeichnung für Poulan / Weed Eater Motorhacken / Kultivierer PPRT5 - Poulan Pro Rear-Tine Tiller TINES. Wählen Sie das benötigte Ersatzteil aus der Ersatzteilliste Ihres Poulan / Weed Eater Gerätes aus und bestellen Sie einfach online. Viele Poulan / Weed Eater Ersatzteile halten wir ständig in unserem Lager für Sie bereit.
| BildNr | Artikel Nummer | Bezeichnung | |
| 1 | 532 00 44-59 | CUTTER BLADE, L. | |
| 2 | 874 61 06-16 | BOLZEN | |
| 3 | ![]() | 810 04 06-00 | SCHEIBE |
| 4 | ![]() | 873 68 06-00 | MUTTER |
| 5 | 532 00 49-29 | STIFT | |
| 6 | 532102380 | ||
| 7 | 532 00 65-54 | MESSER | |
| 8 | 532 00 65-55 | MESSER | |
| 9 | 532 00 44-60 | CUTTER BLADE, R. | |
| 10 | 532 12 46-60 | FEDERRING | |
| 11 | 532102382 | ||


Qualitätsmanagement
Informieren Sie uns, wenn Sie einen Fehler gefunden haben.



