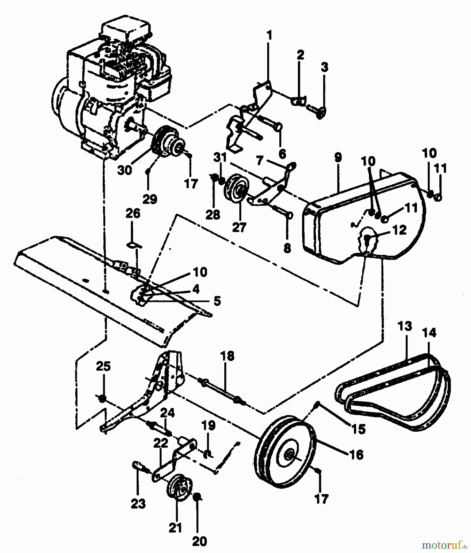
Poulan / Weed Eater PPFT5 - Poulan Pro Front-Tine Tiller BELT GUARD AND PULLEY ASSEMBLY Ersatzteile
BELT GUARD AND PULLEY ASSEMBLY PPFT5 - Poulan Pro Front-Tine Tiller

Hier finden Sie die Ersatzteilzeichnung für Poulan / Weed Eater Motorhacken / Kultivierer PPFT5 - Poulan Pro Front-Tine Tiller BELT GUARD AND PULLEY ASSEMBLY. Wählen Sie das benötigte Ersatzteil aus der Ersatzteilliste Ihres Poulan / Weed Eater Gerätes aus und bestellen Sie einfach online. Viele Poulan / Weed Eater Ersatzteile halten wir ständig in unserem Lager für Sie bereit.


Qualitätsmanagement
Informieren Sie uns, wenn Sie einen Fehler gefunden haben.

