Poulan / Weed Eater PP475 - Poulan Pro Chainsaw INTERNAL POWER UNIT Ersatzteile
INTERNAL POWER UNIT PP475 - Poulan Pro Chainsaw

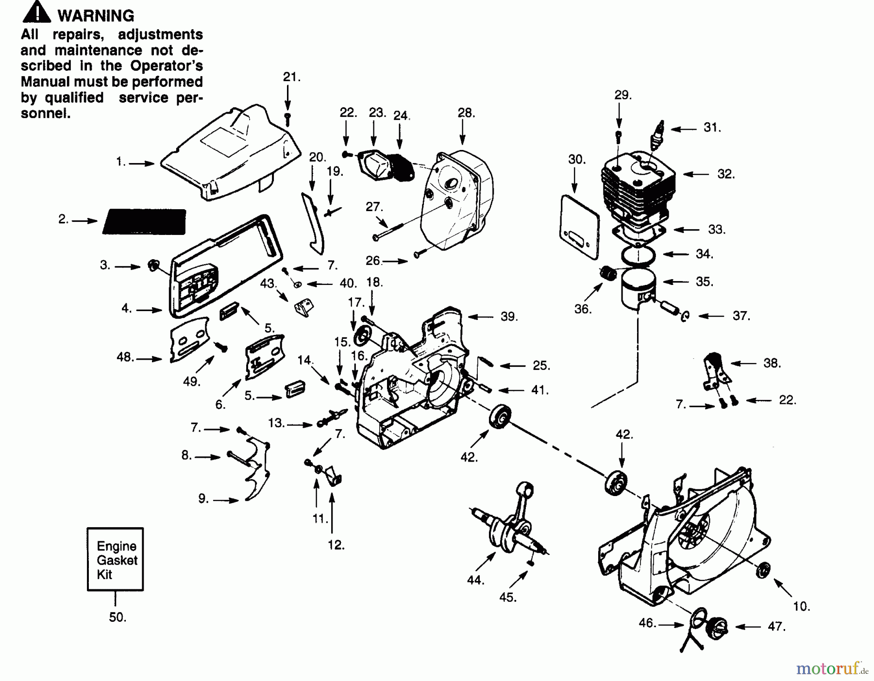
Hier finden Sie die Ersatzteilzeichnung für Poulan / Weed Eater Motorsägen PP475 - Poulan Pro Chainsaw INTERNAL POWER UNIT. Wählen Sie das benötigte Ersatzteil aus der Ersatzteilliste Ihres Poulan / Weed Eater Gerätes aus und bestellen Sie einfach online. Viele Poulan / Weed Eater Ersatzteile halten wir ständig in unserem Lager für Sie bereit.


Qualitätsmanagement
Informieren Sie uns, wenn Sie einen Fehler gefunden haben.



