Poulan / Weed Eater PP4218AVX - Poulan Pro Chainsaw Housing Ersatzteile
Housing PP4218AVX - Poulan Pro Chainsaw

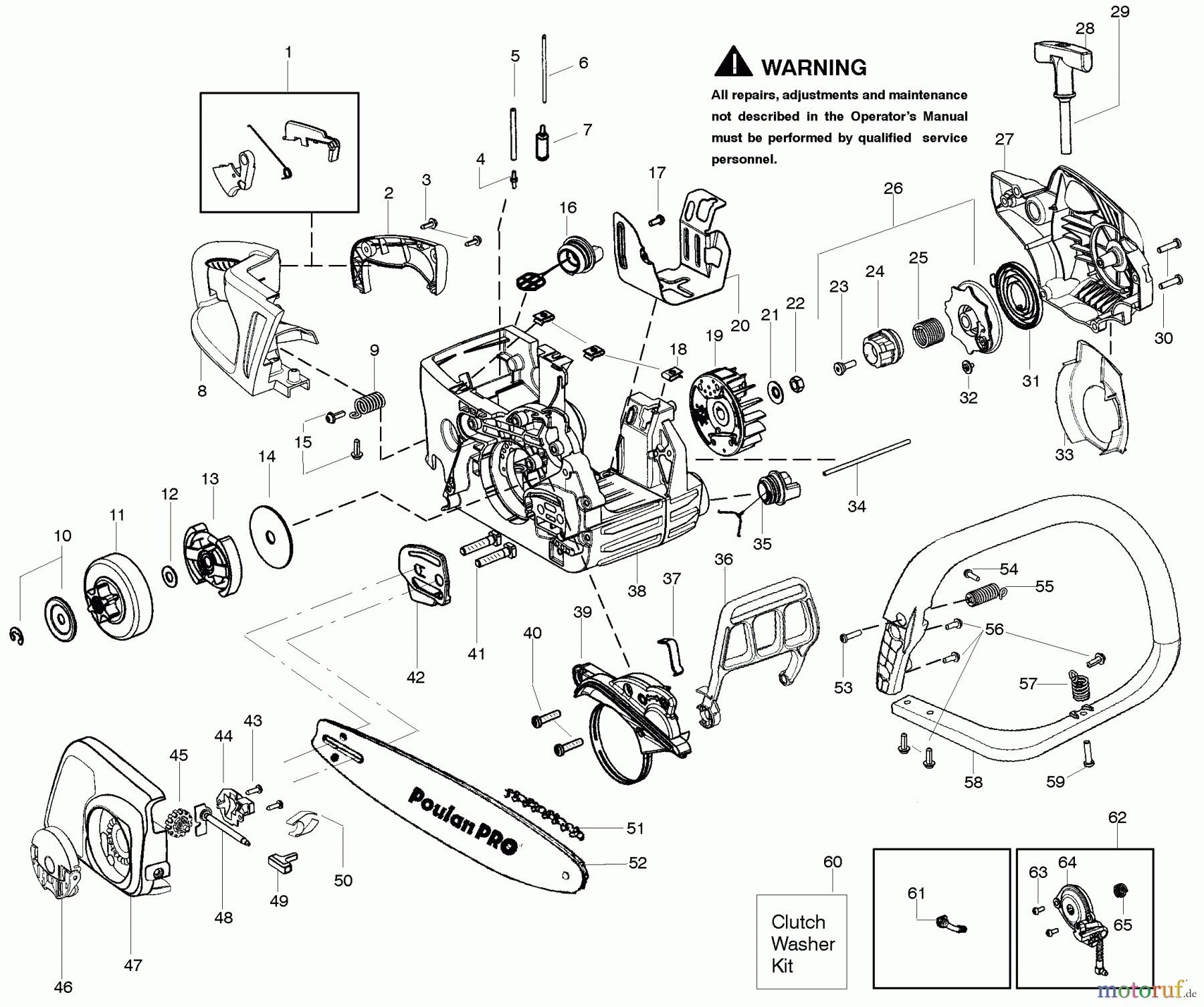
Hier finden Sie die Ersatzteilzeichnung für Poulan / Weed Eater Motorsägen PP4218AVX - Poulan Pro Chainsaw Housing. Wählen Sie das benötigte Ersatzteil aus der Ersatzteilliste Ihres Poulan / Weed Eater Gerätes aus und bestellen Sie einfach online. Viele Poulan / Weed Eater Ersatzteile halten wir ständig in unserem Lager für Sie bereit.


Qualitätsmanagement
Informieren Sie uns, wenn Sie einen Fehler gefunden haben.








