Poulan / Weed Eater PP385 - Poulan Pro Chainsaw EXTERNAL POWER UNIT Ersatzteile
EXTERNAL POWER UNIT PP385 - Poulan Pro Chainsaw

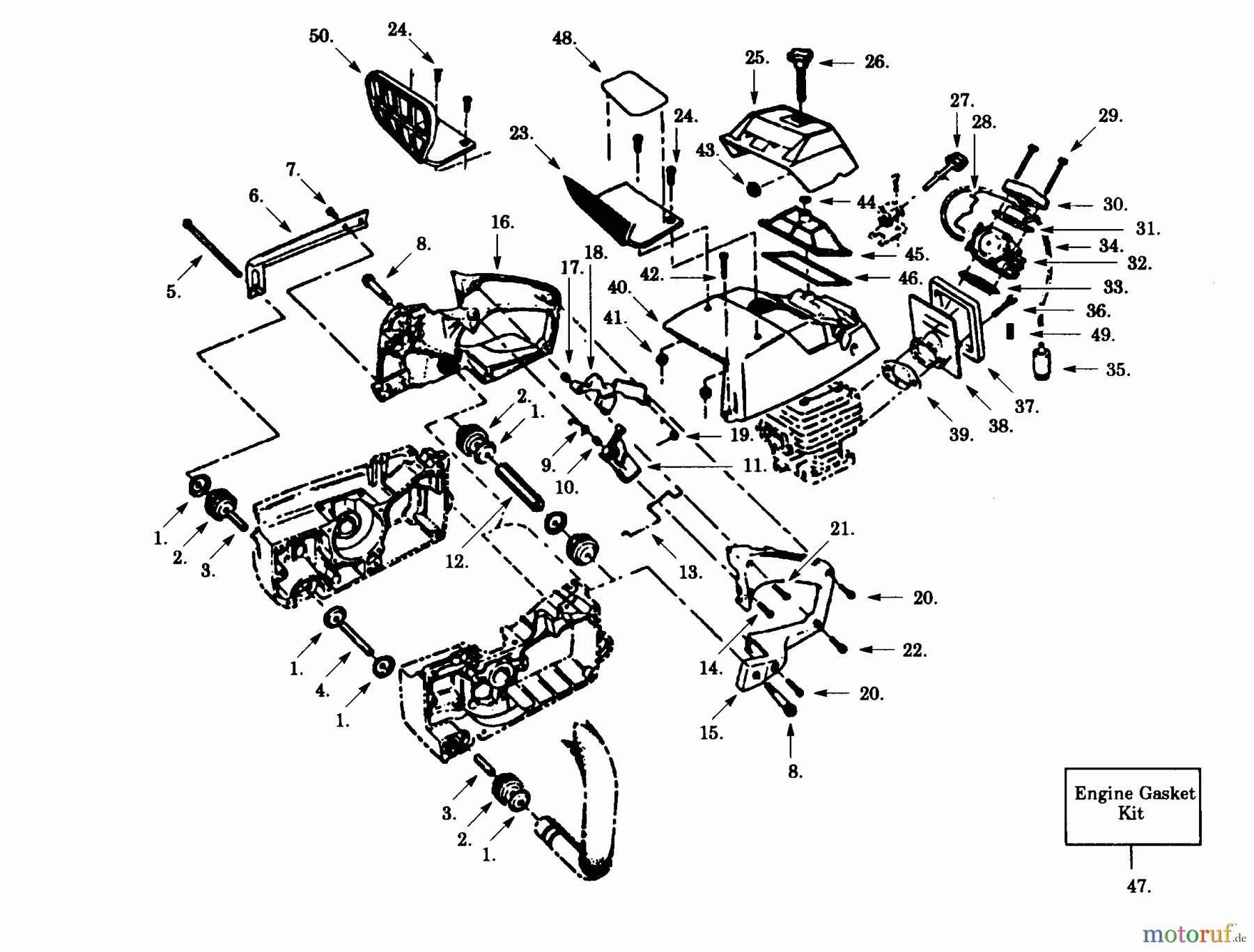
Hier finden Sie die Ersatzteilzeichnung für Poulan / Weed Eater Motorsägen PP385 - Poulan Pro Chainsaw EXTERNAL POWER UNIT. Wählen Sie das benötigte Ersatzteil aus der Ersatzteilliste Ihres Poulan / Weed Eater Gerätes aus und bestellen Sie einfach online. Viele Poulan / Weed Eater Ersatzteile halten wir ständig in unserem Lager für Sie bereit.





