Poulan / Weed Eater PP236C - Poulan Pro Chainsaw CARBURETORS WT-247, & WT-310 Ersatzteile
CARBURETORS WT-247, & WT-310 PP236C - Poulan Pro Chainsaw

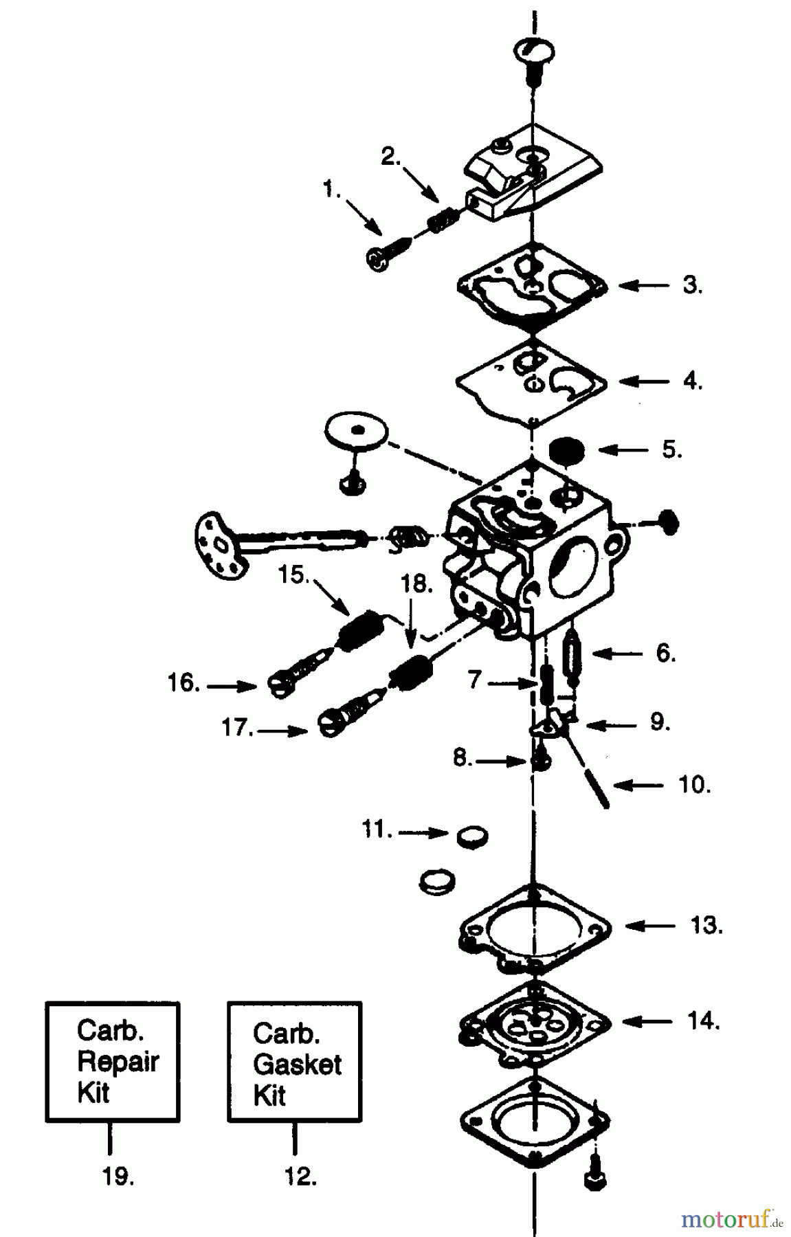
Hier finden Sie die Ersatzteilzeichnung für Poulan / Weed Eater Motorsägen PP236C - Poulan Pro Chainsaw CARBURETORS WT-247, & WT-310. Wählen Sie das benötigte Ersatzteil aus der Ersatzteilliste Ihres Poulan / Weed Eater Gerätes aus und bestellen Sie einfach online. Viele Poulan / Weed Eater Ersatzteile halten wir ständig in unserem Lager für Sie bereit.


Qualitätsmanagement
Informieren Sie uns, wenn Sie einen Fehler gefunden haben.




