Poulan / Weed Eater P4018WT (952802036) - Poulan Chainsaw (2012-01) CHASSIS BAR HANDLE Ersatzteile
CHASSIS BAR HANDLE P4018WT (952802036) - Poulan Chainsaw (2012-01)

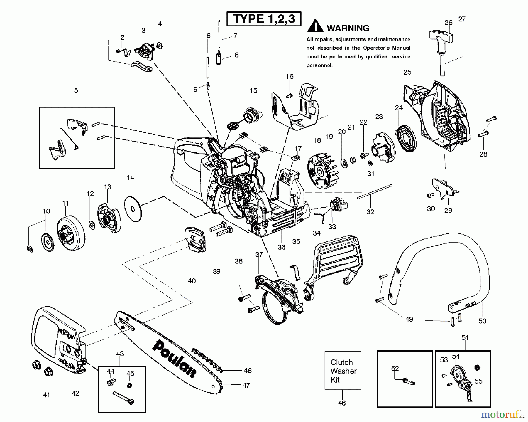
Hier finden Sie die Ersatzteilzeichnung für Poulan / Weed Eater Motorsägen P4018WT (952802036) - Poulan Chainsaw (2012-01) CHASSIS BAR HANDLE. Wählen Sie das benötigte Ersatzteil aus der Ersatzteilliste Ihres Poulan / Weed Eater Gerätes aus und bestellen Sie einfach online. Viele Poulan / Weed Eater Ersatzteile halten wir ständig in unserem Lager für Sie bereit.










