Poulan / Weed Eater P3816 (966557801) - Poulan Chain Saw (2012-08) CHASSIS LOWER Ersatzteile
CHASSIS LOWER P3816 (966557801) - Poulan Chain Saw (2012-08)

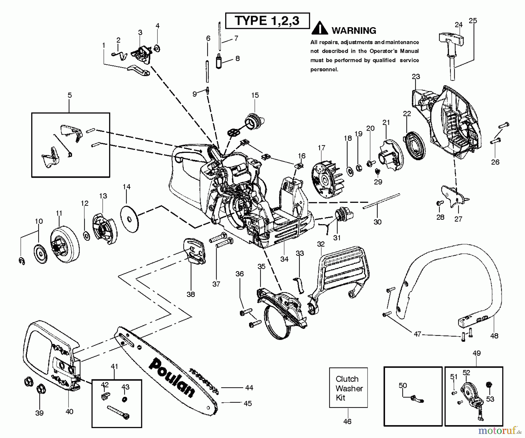
Hier finden Sie die Ersatzteilzeichnung für Poulan / Weed Eater Motorsägen P3816 (966557801) - Poulan Chain Saw (2012-08) CHASSIS LOWER. Wählen Sie das benötigte Ersatzteil aus der Ersatzteilliste Ihres Poulan / Weed Eater Gerätes aus und bestellen Sie einfach online. Viele Poulan / Weed Eater Ersatzteile halten wir ständig in unserem Lager für Sie bereit.


Qualitätsmanagement
Informieren Sie uns, wenn Sie einen Fehler gefunden haben.








