Poulan / Weed Eater KS412 - Poulan Pro Chainsaw CARBURETOR Ersatzteile
CARBURETOR KS412 - Poulan Pro Chainsaw

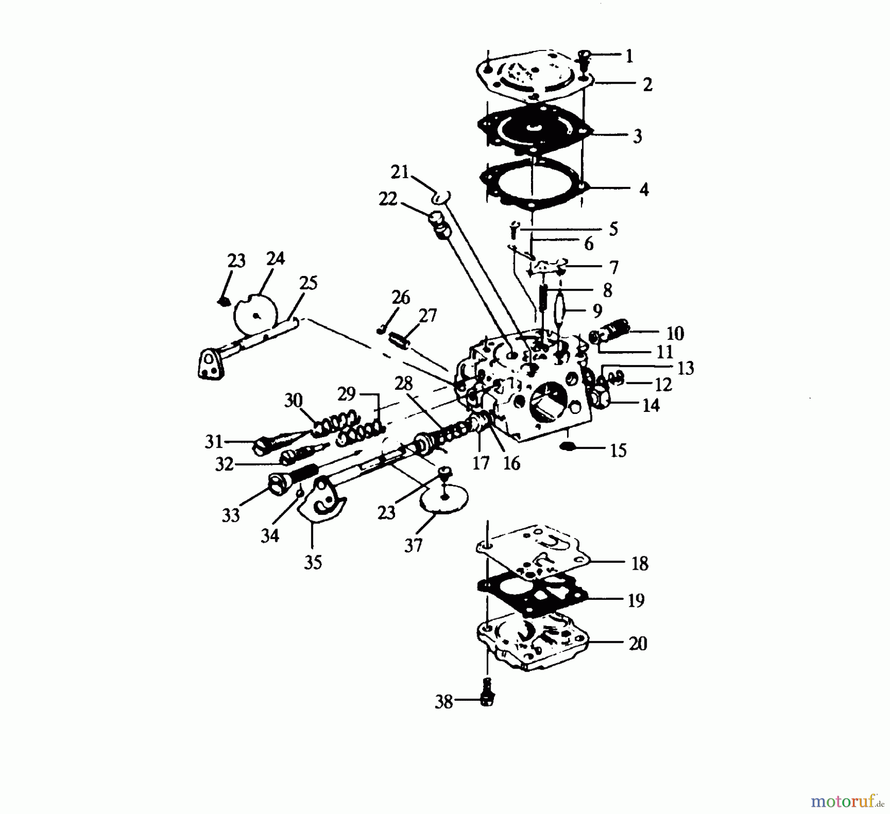
Hier finden Sie die Ersatzteilzeichnung für Poulan / Weed Eater Motorsägen KS412 - Poulan Pro Chainsaw CARBURETOR. Wählen Sie das benötigte Ersatzteil aus der Ersatzteilliste Ihres Poulan / Weed Eater Gerätes aus und bestellen Sie einfach online. Viele Poulan / Weed Eater Ersatzteile halten wir ständig in unserem Lager für Sie bereit.


Qualitätsmanagement
Informieren Sie uns, wenn Sie einen Fehler gefunden haben.

