Poulan / Weed Eater 4000 - Poulan Chainsaw Crankcase / Cylinder Assembly Ersatzteile
Crankcase / Cylinder Assembly 4000 - Poulan Chainsaw

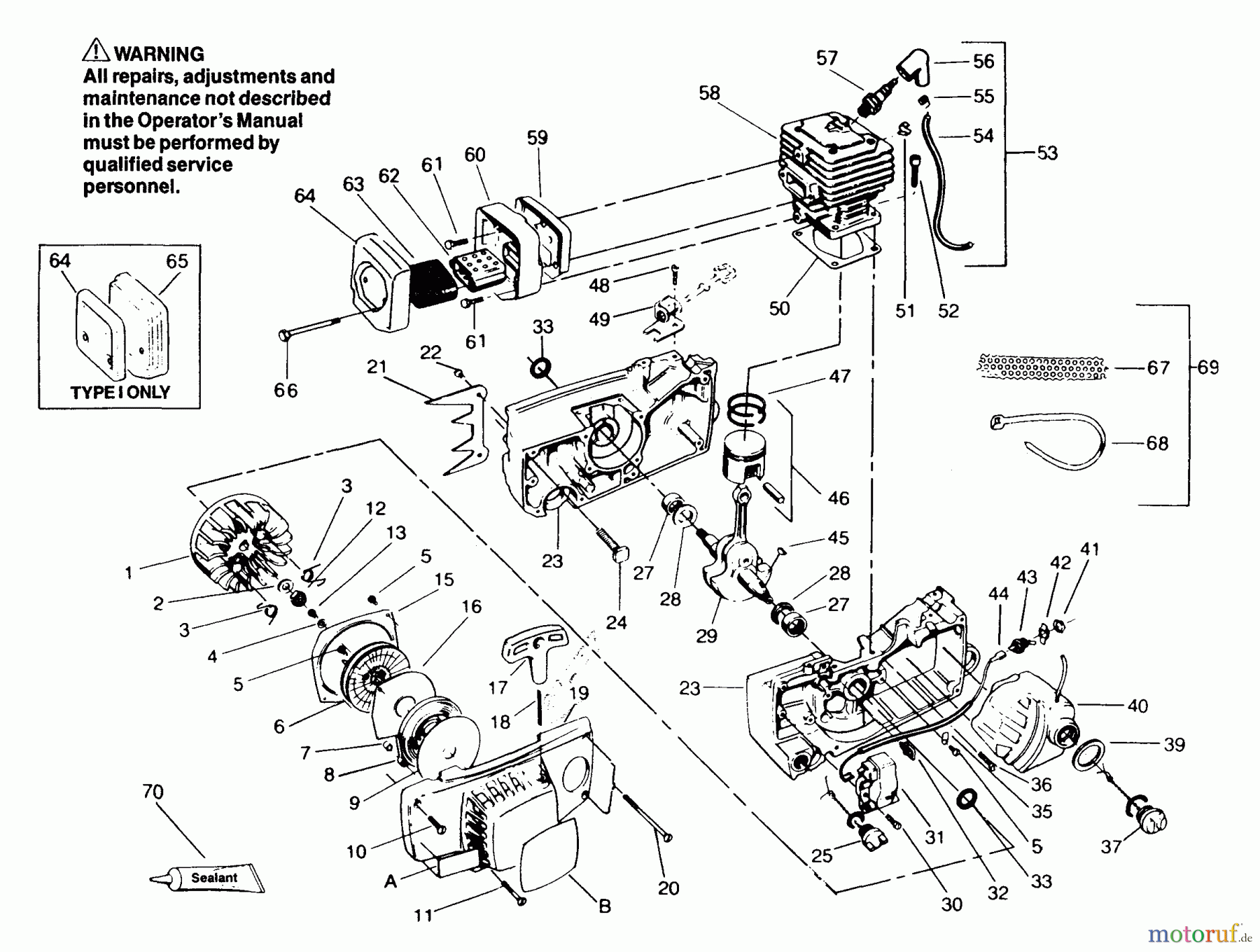
Hier finden Sie die Ersatzteilzeichnung für Poulan / Weed Eater Motorsägen 4000 - Poulan Chainsaw Crankcase / Cylinder Assembly. Wählen Sie das benötigte Ersatzteil aus der Ersatzteilliste Ihres Poulan / Weed Eater Gerätes aus und bestellen Sie einfach online. Viele Poulan / Weed Eater Ersatzteile halten wir ständig in unserem Lager für Sie bereit.






