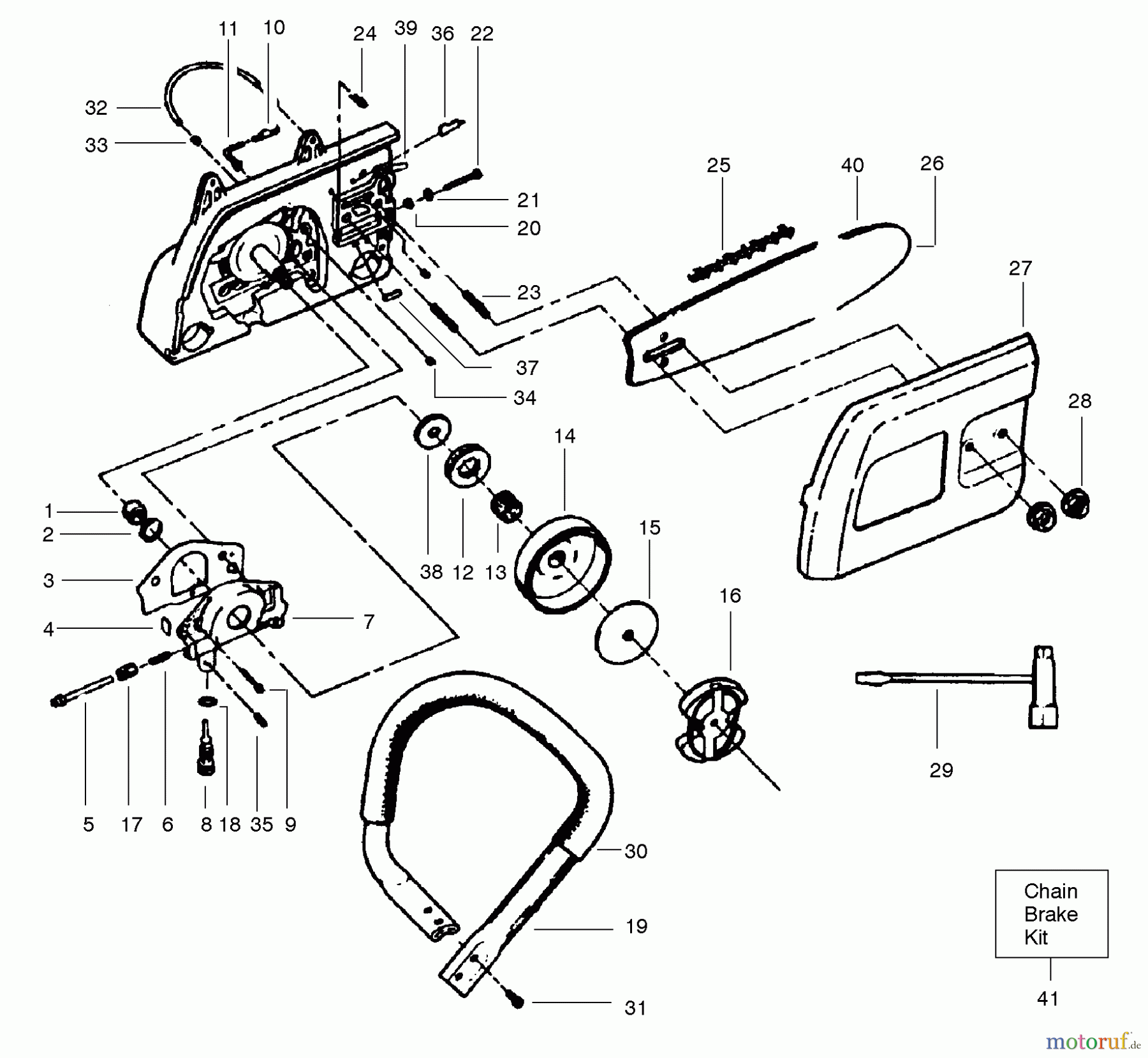
Poulan / Weed Eater 3350 - Poulan Chainsaw HANDLES & BAR Ersatzteile
HANDLES & BAR 3350 - Poulan Chainsaw

Hier finden Sie die Ersatzteilzeichnung für Poulan / Weed Eater Motorsägen 3350 - Poulan Chainsaw HANDLES & BAR. Wählen Sie das benötigte Ersatzteil aus der Ersatzteilliste Ihres Poulan / Weed Eater Gerätes aus und bestellen Sie einfach online. Viele Poulan / Weed Eater Ersatzteile halten wir ständig in unserem Lager für Sie bereit.


Qualitätsmanagement
Informieren Sie uns, wenn Sie einen Fehler gefunden haben.

