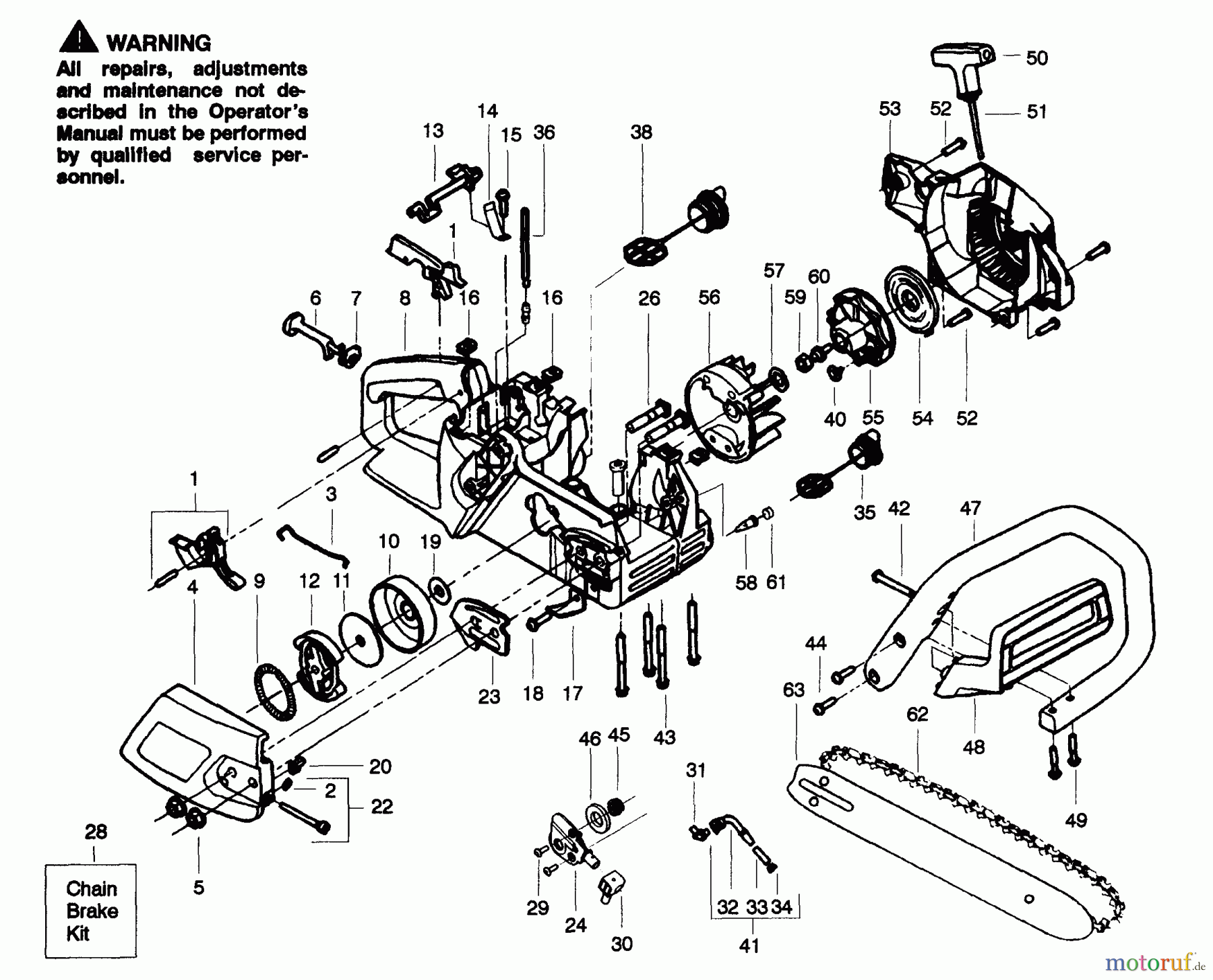
Poulan / Weed Eater 2350 - Poulan Chainsaw Handle & External Power Unit Ersatzteile
Handle & External Power Unit 2350 - Poulan Chainsaw

Hier finden Sie die Ersatzteilzeichnung für Poulan / Weed Eater Motorsägen 2350 - Poulan Chainsaw Handle & External Power Unit. Wählen Sie das benötigte Ersatzteil aus der Ersatzteilliste Ihres Poulan / Weed Eater Gerätes aus und bestellen Sie einfach online. Viele Poulan / Weed Eater Ersatzteile halten wir ständig in unserem Lager für Sie bereit.


Qualitätsmanagement
Informieren Sie uns, wenn Sie einen Fehler gefunden haben.







