Poulan / Weed Eater 2300CVA - Poulan Chainsaw HANDLES & HOUSING Ersatzteile
HANDLES & HOUSING 2300CVA - Poulan Chainsaw

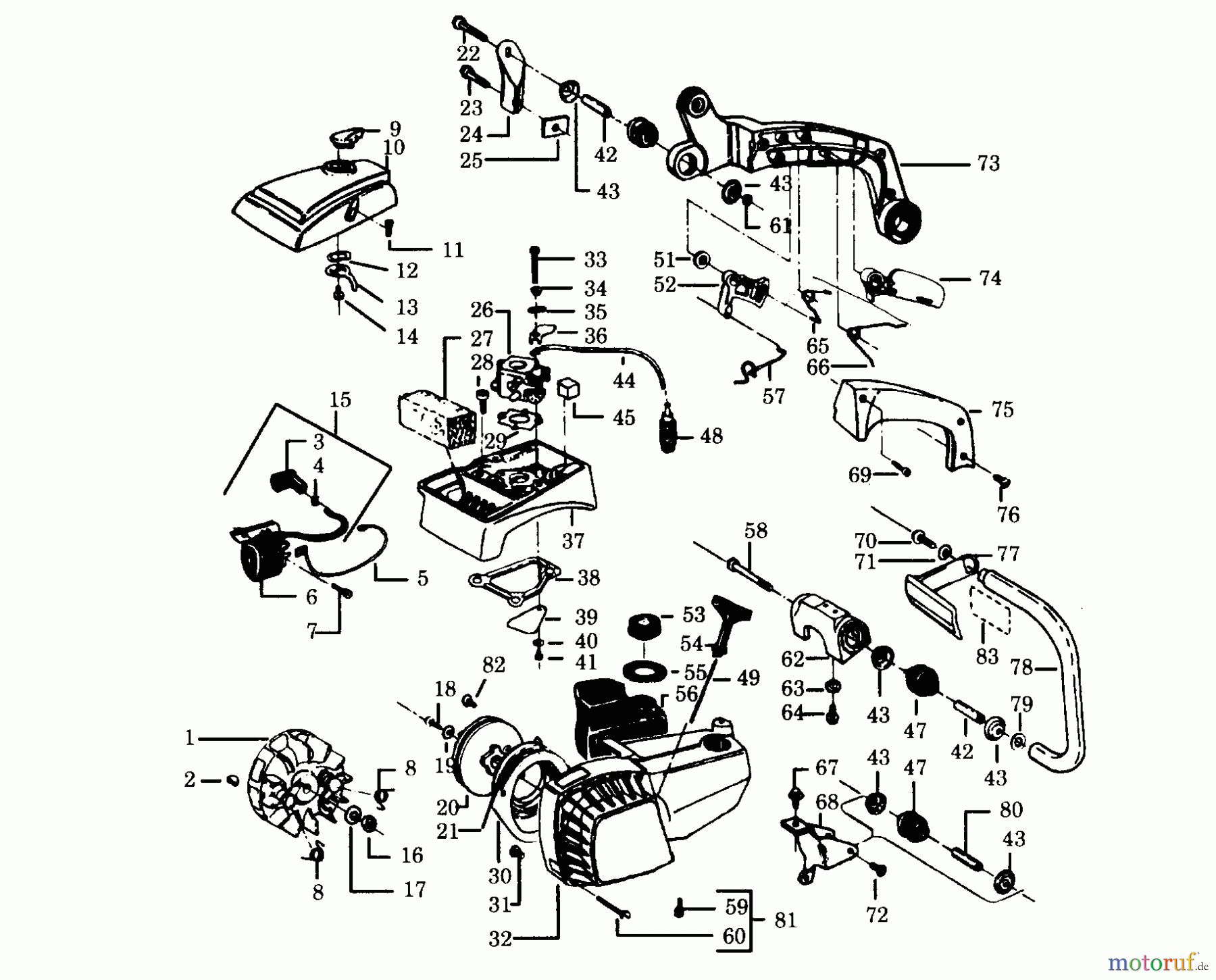
Hier finden Sie die Ersatzteilzeichnung für Poulan / Weed Eater Motorsägen 2300CVA - Poulan Chainsaw HANDLES & HOUSING. Wählen Sie das benötigte Ersatzteil aus der Ersatzteilliste Ihres Poulan / Weed Eater Gerätes aus und bestellen Sie einfach online. Viele Poulan / Weed Eater Ersatzteile halten wir ständig in unserem Lager für Sie bereit.


Qualitätsmanagement
Informieren Sie uns, wenn Sie einen Fehler gefunden haben.




