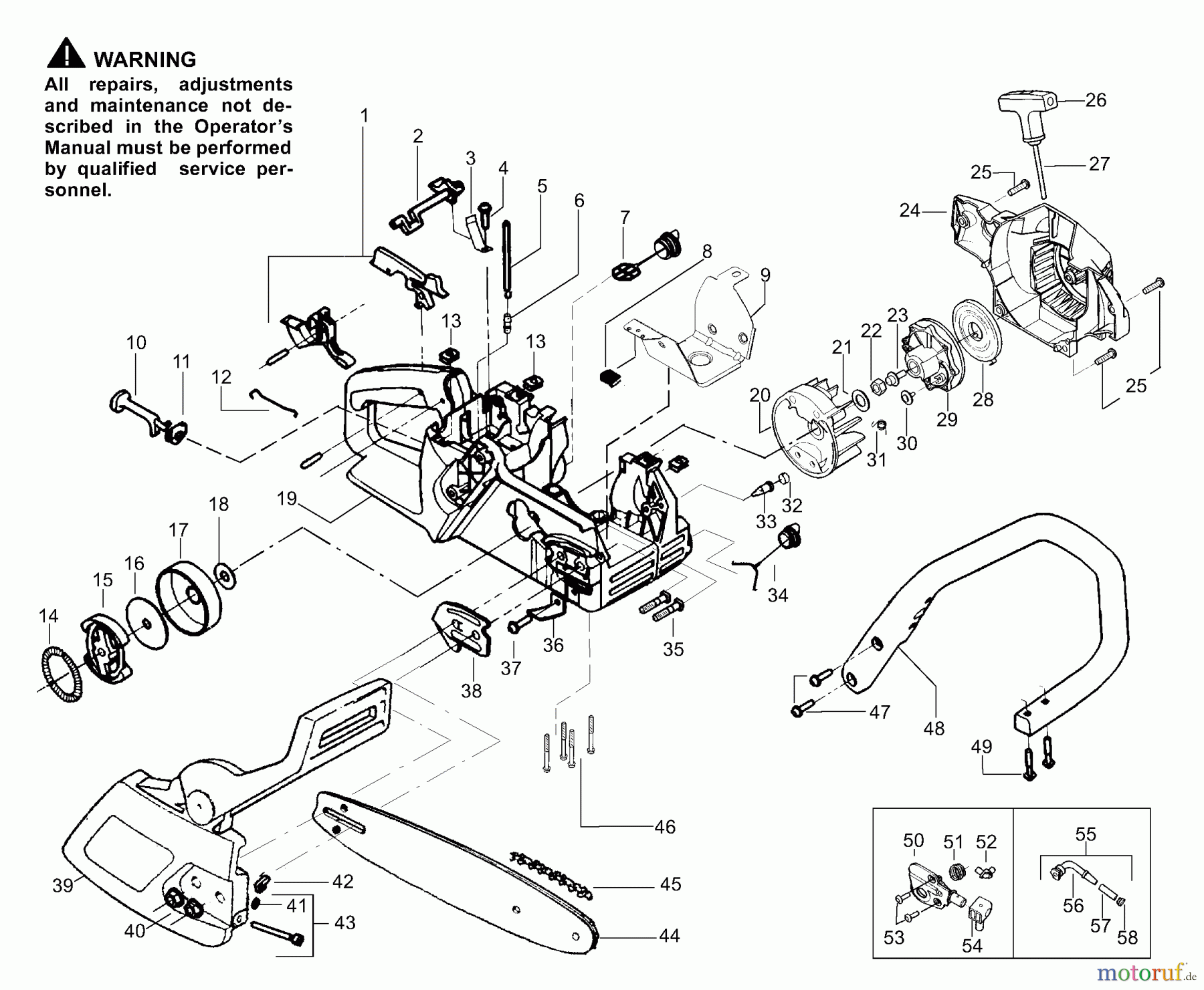
Poulan / Weed Eater 2075LE - Poulan Chainsaw Handle, Chassis & Bar Assembly Ersatzteile
Handle, Chassis & Bar Assembly 2075LE - Poulan Chainsaw

Hier finden Sie die Ersatzteilzeichnung für Poulan / Weed Eater Motorsägen 2075LE - Poulan Chainsaw Handle, Chassis & Bar Assembly. Wählen Sie das benötigte Ersatzteil aus der Ersatzteilliste Ihres Poulan / Weed Eater Gerätes aus und bestellen Sie einfach online. Viele Poulan / Weed Eater Ersatzteile halten wir ständig in unserem Lager für Sie bereit.


Qualitätsmanagement
Informieren Sie uns, wenn Sie einen Fehler gefunden haben.









