Poulan / Weed Eater 2055 (Type 6) - Poulan Woodsman Chainsaw Engine Assembly Type 6 Ersatzteile
Engine Assembly Type 6 2055 (Type 6) - Poulan Woodsman Chainsaw

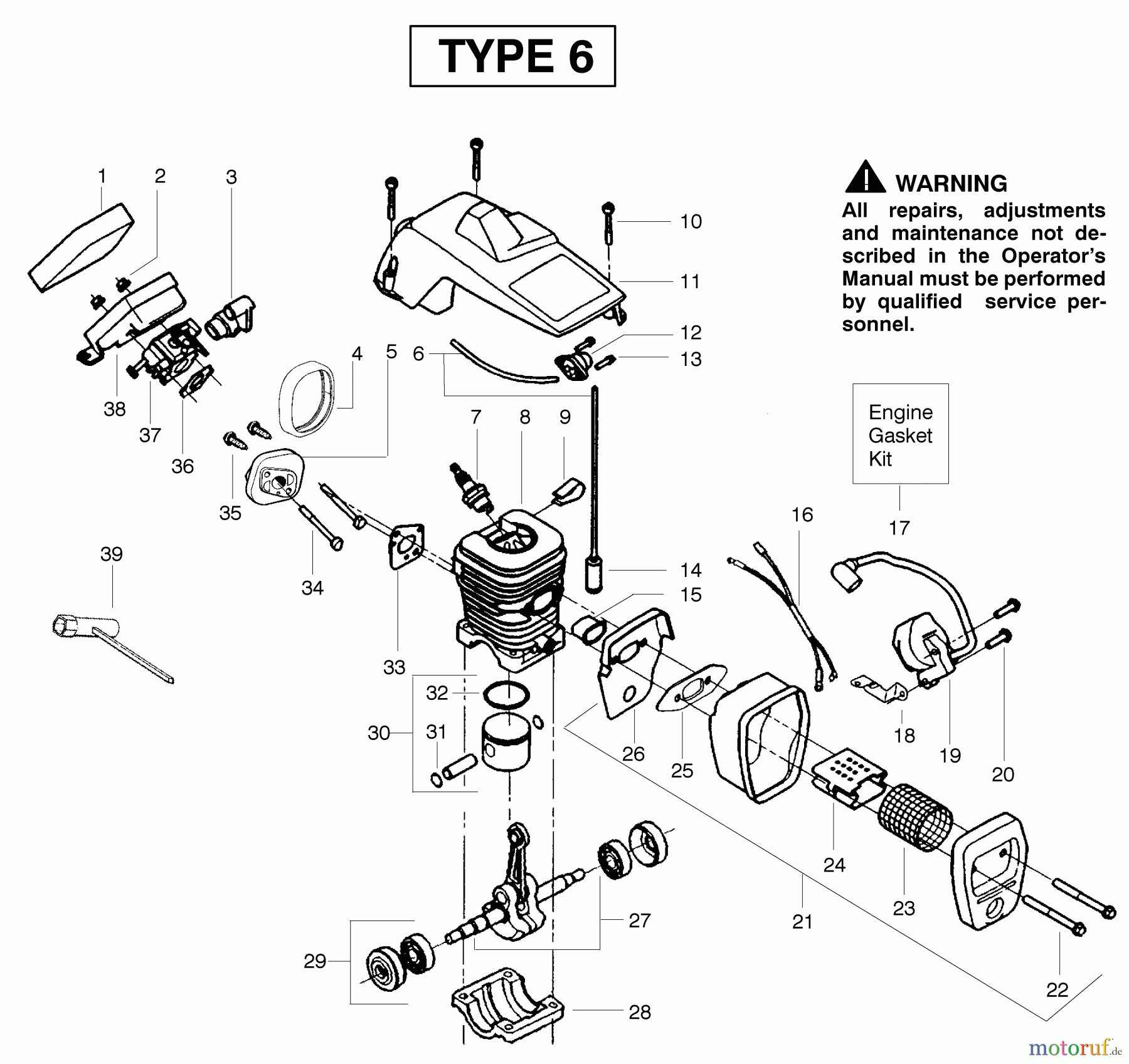
Hier finden Sie die Ersatzteilzeichnung für Poulan / Weed Eater Motorsägen 2055 (Type 6) - Poulan Woodsman Chainsaw Engine Assembly Type 6. Wählen Sie das benötigte Ersatzteil aus der Ersatzteilliste Ihres Poulan / Weed Eater Gerätes aus und bestellen Sie einfach online. Viele Poulan / Weed Eater Ersatzteile halten wir ständig in unserem Lager für Sie bereit.


Qualitätsmanagement
Informieren Sie uns, wenn Sie einen Fehler gefunden haben.









