Poulan / Weed Eater 2025 - Poulan Chainsaw Internal Power Unit Ersatzteile
Internal Power Unit 2025 - Poulan Chainsaw

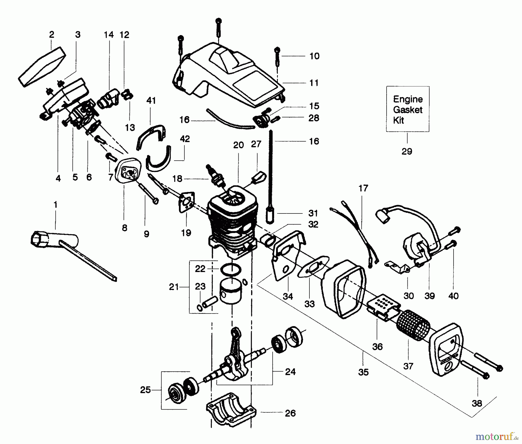
Hier finden Sie die Ersatzteilzeichnung für Poulan / Weed Eater Motorsägen 2025 - Poulan Chainsaw Internal Power Unit. Wählen Sie das benötigte Ersatzteil aus der Ersatzteilliste Ihres Poulan / Weed Eater Gerätes aus und bestellen Sie einfach online. Viele Poulan / Weed Eater Ersatzteile halten wir ständig in unserem Lager für Sie bereit.


Qualitätsmanagement
Informieren Sie uns, wenn Sie einen Fehler gefunden haben.









