Poulan / Weed Eater 1625 (Type 2) - Poulan Electric Chainsaw Chain Saw Assembly Type 2 Ersatzteile
Chain Saw Assembly Type 2 1625 (Type 2) - Poulan Electric Chainsaw

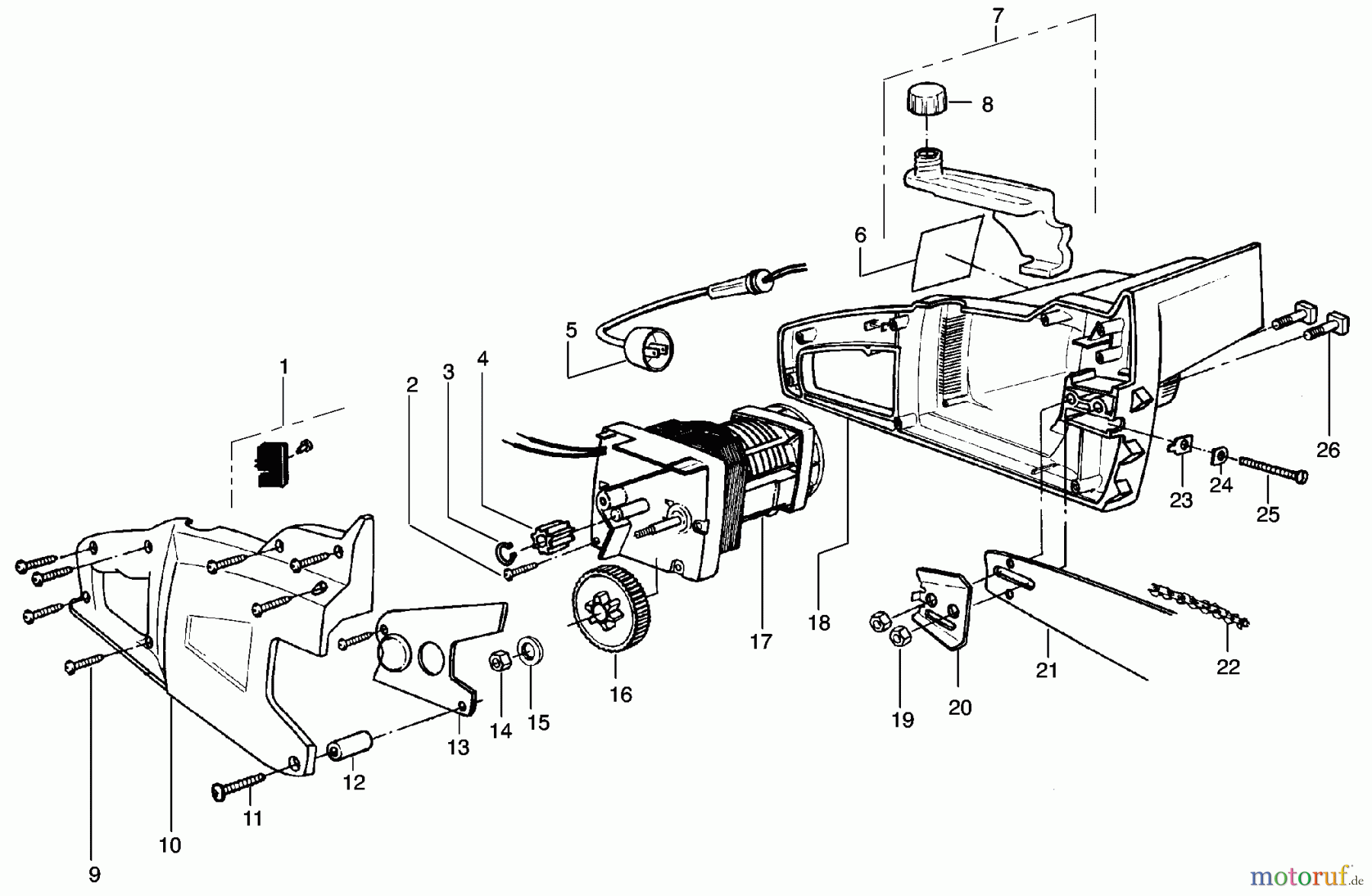
Hier finden Sie die Ersatzteilzeichnung für Poulan / Weed Eater Motorsägen 1625 (Type 2) - Poulan Electric Chainsaw Chain Saw Assembly Type 2. Wählen Sie das benötigte Ersatzteil aus der Ersatzteilliste Ihres Poulan / Weed Eater Gerätes aus und bestellen Sie einfach online. Viele Poulan / Weed Eater Ersatzteile halten wir ständig in unserem Lager für Sie bereit.


Qualitätsmanagement
Informieren Sie uns, wenn Sie einen Fehler gefunden haben.

