Poulan / Weed Eater XE850PEAR - Poulan Pro Walk-Behind Mower MOWER HOUSING, ENGINE B/S 124707 Ersatzteile
MOWER HOUSING, ENGINE B/S 124707 XE850PEAR - Poulan Pro Walk-Behind Mower

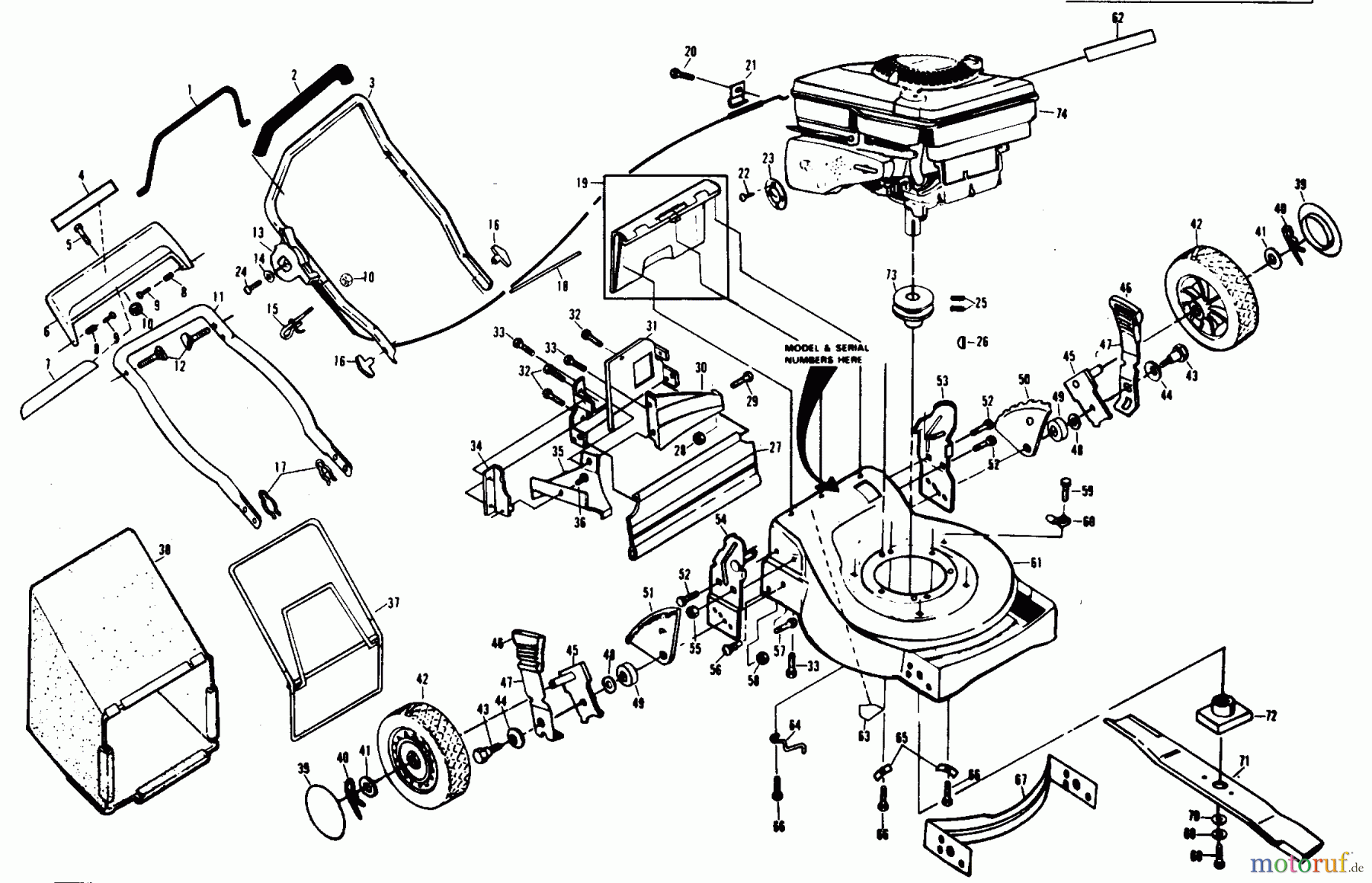
Hier finden Sie die Ersatzteilzeichnung für Poulan / Weed Eater Rasenmäher XE850PEAR - Poulan Pro Walk-Behind Mower MOWER HOUSING, ENGINE B/S 124707. Wählen Sie das benötigte Ersatzteil aus der Ersatzteilliste Ihres Poulan / Weed Eater Gerätes aus und bestellen Sie einfach online. Viele Poulan / Weed Eater Ersatzteile halten wir ständig in unserem Lager für Sie bereit.


Qualitätsmanagement
Informieren Sie uns, wenn Sie einen Fehler gefunden haben.





