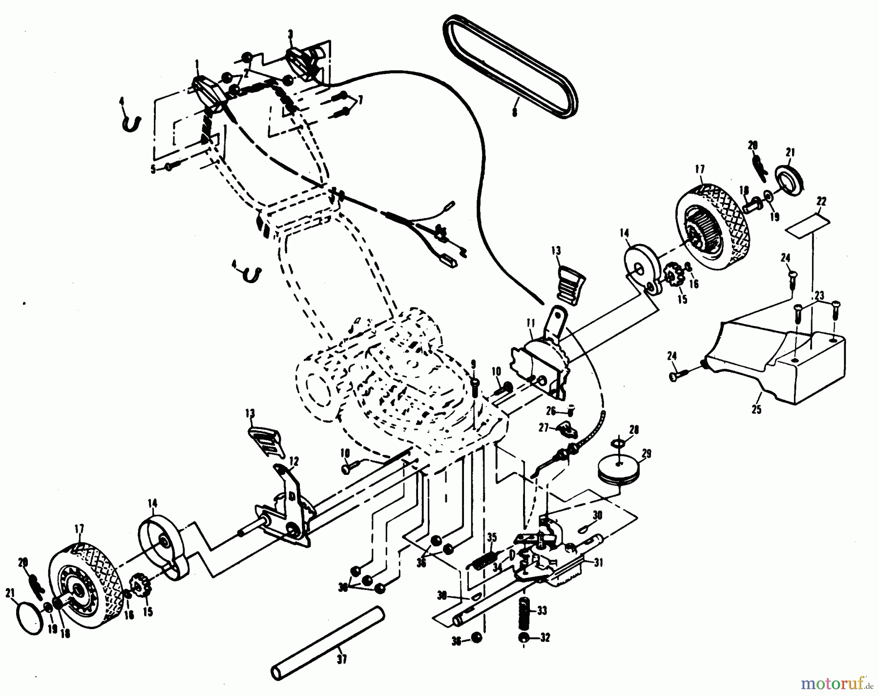
Poulan / Weed Eater XE850PEAR - Poulan Pro Walk-Behind Mower DRIVE ASSEMBLY Ersatzteile
DRIVE ASSEMBLY XE850PEAR - Poulan Pro Walk-Behind Mower

Hier finden Sie die Ersatzteilzeichnung für Poulan / Weed Eater Rasenmäher XE850PEAR - Poulan Pro Walk-Behind Mower DRIVE ASSEMBLY. Wählen Sie das benötigte Ersatzteil aus der Ersatzteilliste Ihres Poulan / Weed Eater Gerätes aus und bestellen Sie einfach online. Viele Poulan / Weed Eater Ersatzteile halten wir ständig in unserem Lager für Sie bereit.



