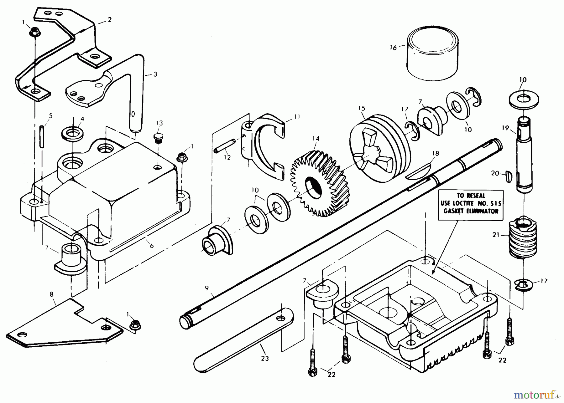
Poulan / Weed Eater XE750PAR - Poulan Pro Walk-Behind Mower GEARCASE ASSEMBLY Ersatzteile
GEARCASE ASSEMBLY XE750PAR - Poulan Pro Walk-Behind Mower

Hier finden Sie die Ersatzteilzeichnung für Poulan / Weed Eater Rasenmäher XE750PAR - Poulan Pro Walk-Behind Mower GEARCASE ASSEMBLY. Wählen Sie das benötigte Ersatzteil aus der Ersatzteilliste Ihres Poulan / Weed Eater Gerätes aus und bestellen Sie einfach online. Viele Poulan / Weed Eater Ersatzteile halten wir ständig in unserem Lager für Sie bereit.




