Poulan / Weed Eater PP850PE - Poulan Pro Walk-Behind Mower DRIVE ASSEMBLY Ersatzteile
DRIVE ASSEMBLY PP850PE - Poulan Pro Walk-Behind Mower

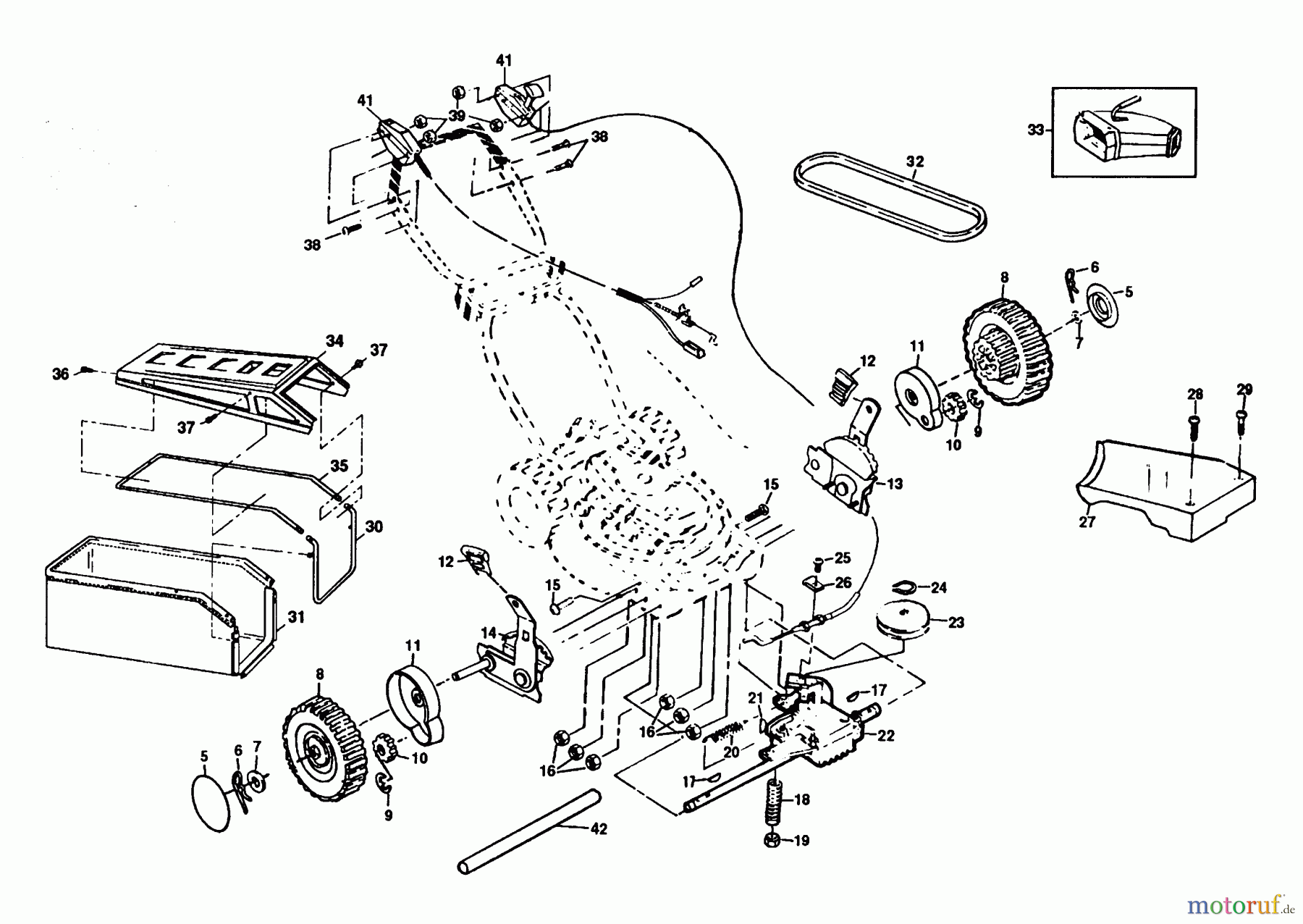
Hier finden Sie die Ersatzteilzeichnung für Poulan / Weed Eater Rasenmäher PP850PE - Poulan Pro Walk-Behind Mower DRIVE ASSEMBLY. Wählen Sie das benötigte Ersatzteil aus der Ersatzteilliste Ihres Poulan / Weed Eater Gerätes aus und bestellen Sie einfach online. Viele Poulan / Weed Eater Ersatzteile halten wir ständig in unserem Lager für Sie bereit.


Qualitätsmanagement
Informieren Sie uns, wenn Sie einen Fehler gefunden haben.


