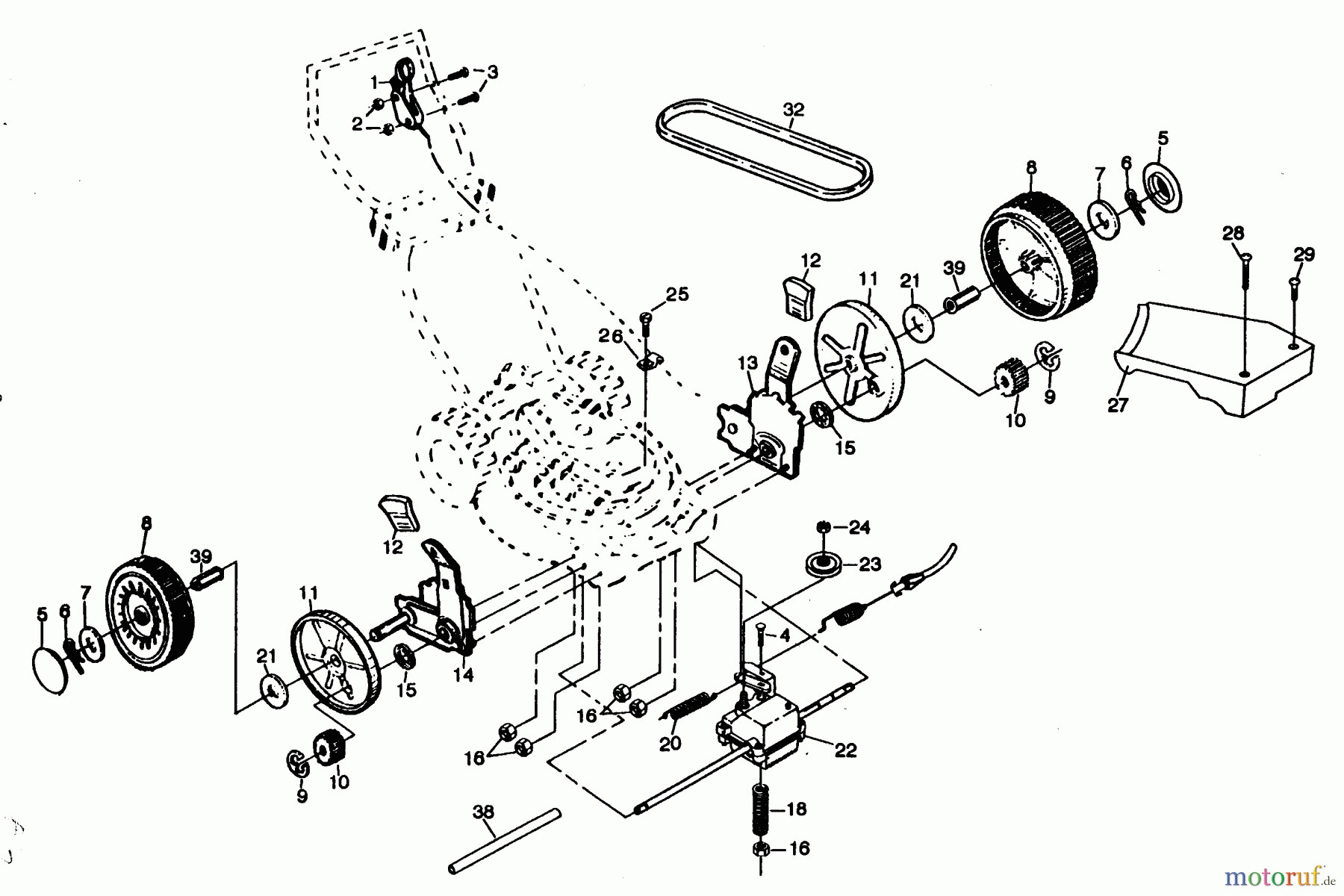
Poulan / Weed Eater PP750PJA - Poulan Pro Walk-Behind Mower DRIVE ASSEMBLY Ersatzteile
DRIVE ASSEMBLY PP750PJA - Poulan Pro Walk-Behind Mower

Hier finden Sie die Ersatzteilzeichnung für Poulan / Weed Eater Rasenmäher PP750PJA - Poulan Pro Walk-Behind Mower DRIVE ASSEMBLY. Wählen Sie das benötigte Ersatzteil aus der Ersatzteilliste Ihres Poulan / Weed Eater Gerätes aus und bestellen Sie einfach online. Viele Poulan / Weed Eater Ersatzteile halten wir ständig in unserem Lager für Sie bereit.


Qualitätsmanagement
Informieren Sie uns, wenn Sie einen Fehler gefunden haben.




