Poulan / Weed Eater PP735 - Poulan Pro Walk-Behind Mower MOWER ASSEMBLY, ENGINE B/S 92502 Ersatzteile
MOWER ASSEMBLY, ENGINE B/S 92502 PP735 - Poulan Pro Walk-Behind Mower

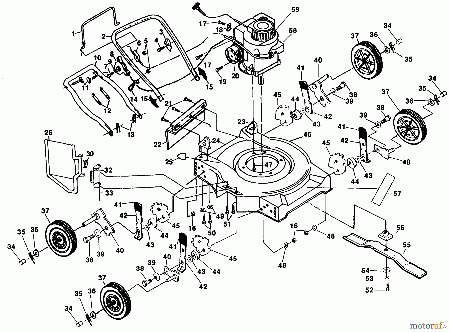
Hier finden Sie die Ersatzteilzeichnung für Poulan / Weed Eater Rasenmäher PP735 - Poulan Pro Walk-Behind Mower MOWER ASSEMBLY, ENGINE B/S 92502. Wählen Sie das benötigte Ersatzteil aus der Ersatzteilliste Ihres Poulan / Weed Eater Gerätes aus und bestellen Sie einfach online. Viele Poulan / Weed Eater Ersatzteile halten wir ständig in unserem Lager für Sie bereit.


Qualitätsmanagement
Informieren Sie uns, wenn Sie einen Fehler gefunden haben.



