Poulan / Weed Eater PP730SJA - Poulan Pro Walk-Behind Mower MOWER ASSEMBLY B/S 95902 Ersatzteile
MOWER ASSEMBLY B/S 95902 PP730SJA - Poulan Pro Walk-Behind Mower

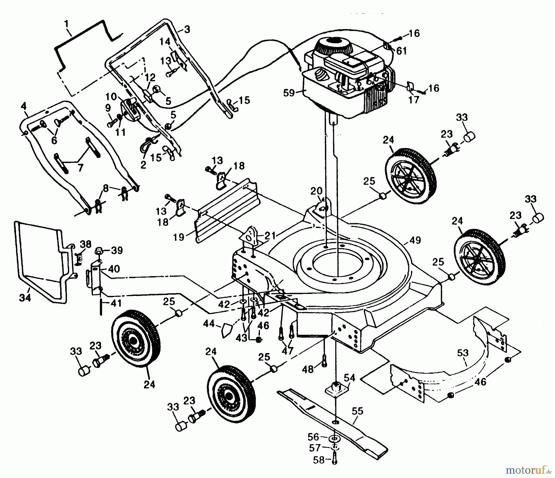
Hier finden Sie die Ersatzteilzeichnung für Poulan / Weed Eater Rasenmäher PP730SJA - Poulan Pro Walk-Behind Mower MOWER ASSEMBLY B/S 95902. Wählen Sie das benötigte Ersatzteil aus der Ersatzteilliste Ihres Poulan / Weed Eater Gerätes aus und bestellen Sie einfach online. Viele Poulan / Weed Eater Ersatzteile halten wir ständig in unserem Lager für Sie bereit.





