Poulan / Weed Eater PP722SJA - Poulan Pro Walk-Behind Mower MOWER ASSEMBLY, ENGINE B/S 98902 Ersatzteile
MOWER ASSEMBLY, ENGINE B/S 98902 PP722SJA - Poulan Pro Walk-Behind Mower

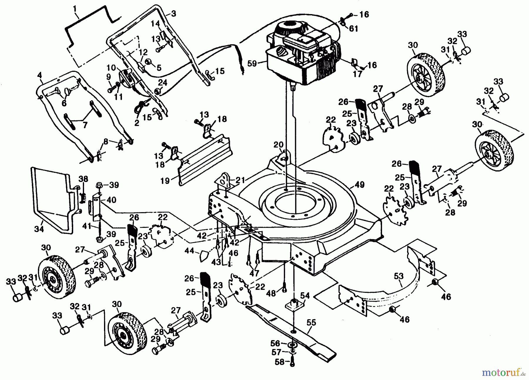
Hier finden Sie die Ersatzteilzeichnung für Poulan / Weed Eater Rasenmäher PP722SJA - Poulan Pro Walk-Behind Mower MOWER ASSEMBLY, ENGINE B/S 98902. Wählen Sie das benötigte Ersatzteil aus der Ersatzteilliste Ihres Poulan / Weed Eater Gerätes aus und bestellen Sie einfach online. Viele Poulan / Weed Eater Ersatzteile halten wir ständig in unserem Lager für Sie bereit.






