Poulan / Weed Eater PP2055 - Poulan Pro Walk-Behind Mower Assembly Ersatzteile
Assembly PP2055 - Poulan Pro Walk-Behind Mower

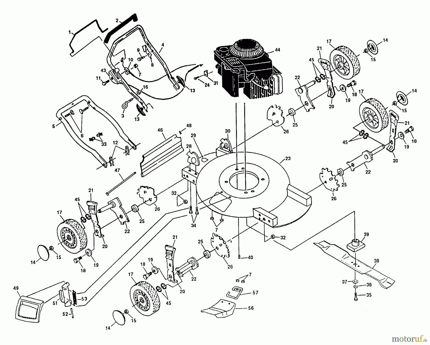
Hier finden Sie die Ersatzteilzeichnung für Poulan / Weed Eater Rasenmäher PP2055 - Poulan Pro Walk-Behind Mower Assembly. Wählen Sie das benötigte Ersatzteil aus der Ersatzteilliste Ihres Poulan / Weed Eater Gerätes aus und bestellen Sie einfach online. Viele Poulan / Weed Eater Ersatzteile halten wir ständig in unserem Lager für Sie bereit.
| BildNr | Artikel Nummer | Bezeichnung | |
| 1 | 850735 | ||
| 2 | 155890 | ||
| 3 | 132001 | Viking Wendemesser 6903.702.01 | |
| 4 | 145642X479 | ||
| 5 | 157081X479 | ||
| 6 | 131959 | ||
| 7 | 6-3601 | Nylonfaden ACpro oval 2,4/208m | |
| 8 | 850733X004 | ||
| 9 | 750097 | ||
| 10 | 130861 | 130861 | |
| 11 | 144929 | ||
| 12 | 51793 | ||
| 13 | 136376 | ||
| 14 | 77400 | ||
| 15 | 83923 | Kragenbolzen M12x20 | |
| 16 | 6-3601 | Nylonfaden ACpro oval 2,4/208m | |
| 17 | 532 80 18-47 | WHEEL CPL | |
| 18 | 142748 | ||
| 19 | 62335 | ||
| 20 | 700331X004 | ||
| 21 | 701037 | ||
| 22 | 145935X004 | ||
| 23 | 154403 | ||
| 24 | 83816 | SÄGEBAND GBS 200 1425x4x0,65 | |
| 25 | 146630 | ||
| 26 | 700325X007 | ||
| 28 | 151665X479 | ||
| 29 | 107-339 | 107-339 | |
| 30 | 151667X479 | ||
| 31 | 532 11 11-90 | KLAMMER | |
| 32 | 751592 | ||
| 33 | 151517 | ||
| 34 | 149741 | ||
| 35 | 851084 | ||
| 36 | 850263 | ||
| 37 | 851074 | ||
| 38 | 145106 | ||
| 39 | 851514 | ||
| 40 | 150406 | ||
| 43 | 700417 | ||
| 44 | |||
| 45 | 57143 | ||
| 46 | 150985 | ||
| 47 | 150984 | ||
| 48 | 700279 | ||
| 49 | 154829 | ||
| 51 | 87593 | ||
| 52 | 147286 | ||
| 53 | 152124 | ||
| 56 | 752118 | ||
| 57 | 751399 | ||
| 532145665 | |||
| 145666 | 145666 | ||
| 159344 | |||



