Poulan / Weed Eater P2260A - Poulan Pro Walk-Behind Mower Drive Assembly Ersatzteile
Drive Assembly P2260A - Poulan Pro Walk-Behind Mower

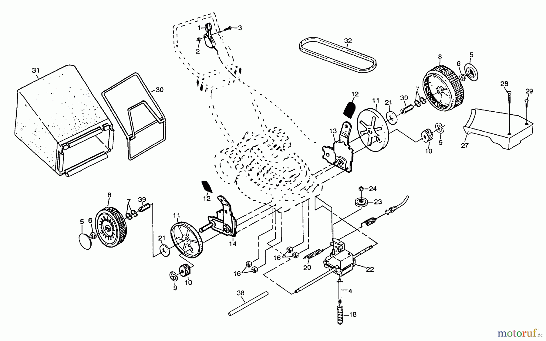
Hier finden Sie die Ersatzteilzeichnung für Poulan / Weed Eater Rasenmäher P2260A - Poulan Pro Walk-Behind Mower Drive Assembly. Wählen Sie das benötigte Ersatzteil aus der Ersatzteilliste Ihres Poulan / Weed Eater Gerätes aus und bestellen Sie einfach online. Viele Poulan / Weed Eater Ersatzteile halten wir ständig in unserem Lager für Sie bereit.
| BildNr | Artikel Nummer | Bezeichnung | |
| 1 | 146323 | 146323 | |
| 2 | 6-3601 | Nylonfaden ACpro oval 2,4/208m | |
| 3 | 144929 | ||
| 4 | 150495 | ||
| 5 | 77400 | ||
| 6 | 83923 | Kragenbolzen M12x20 | |
| 7 | 57143 | ||
| 8 | 801156 | ||
| 9 | 12000058 | ||
| 10 | 137054 | ||
| 11 | 88-080 | Sprühgerät Spray Matic 5P | |
| 12 | 701037 | ||
| 13 | 151521 | ||
| 14 | 151520 | ||
| 16 | 6-3601 | Nylonfaden ACpro oval 2,4/208m | |
| 18 | 137090 | ||
| 20 | 75192 | ||
| 21 | 67725 | ||
| 22 | 7-025 11 | Filter Deckel pass.f.Tecumseh | |
| 23 | 137-052 | 137-052 | |
| 24 | 132010 | ||
| 27 | 137081 | ||
| 28 | 146072 | 146072 | |
| 29 | 149746 | ||
| 30 | 149555 | ||
| 31 | 158931 | ||
| 32 | 146527 | ||
| 38 | 86012 | ||
| 39 | 88446 | ||
| 158042 | |||


Qualitätsmanagement
 Informieren Sie uns, wenn Sie einen Fehler gefunden haben.

