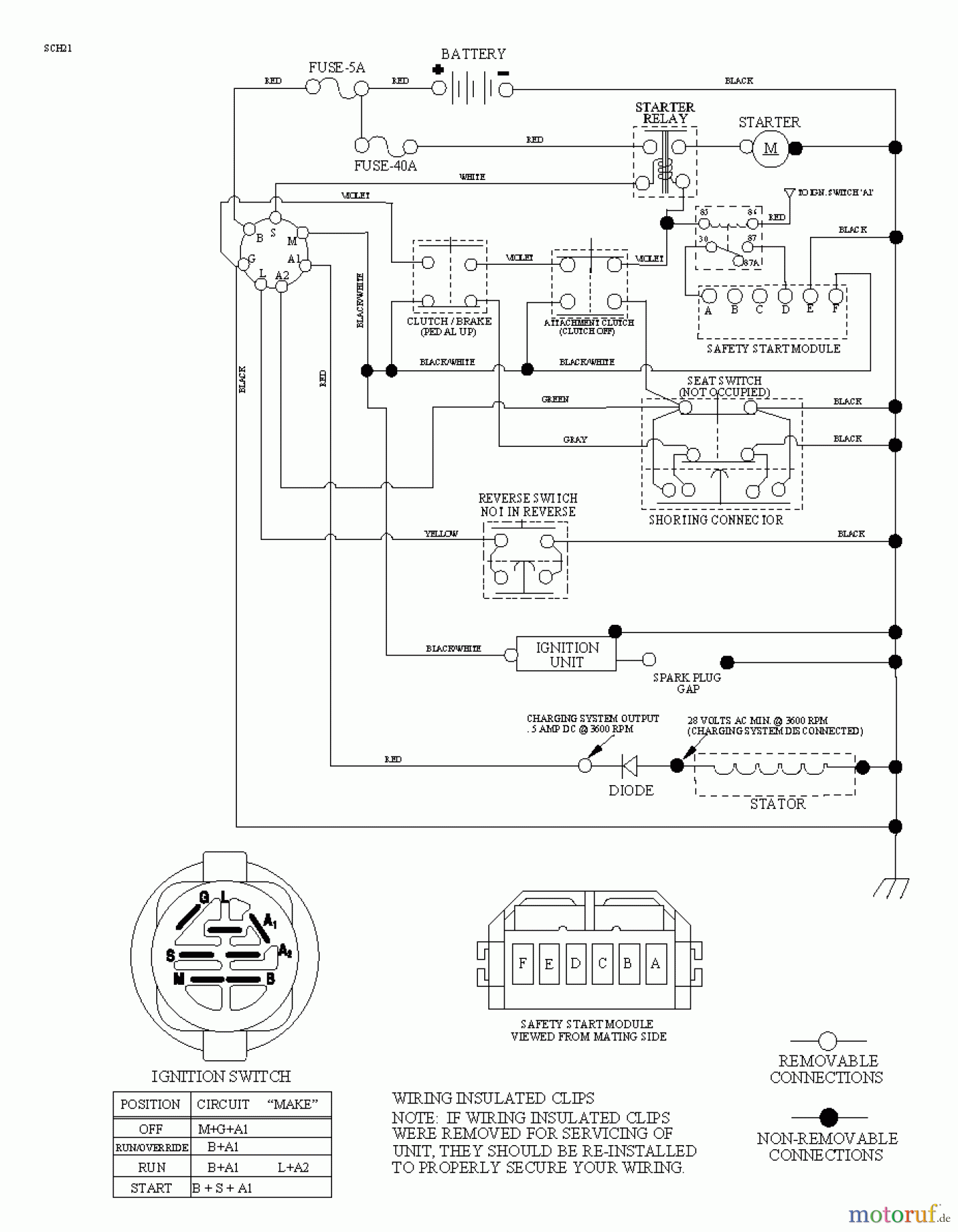
Poulan / Weed Eater WE261 (96024000202) - Weed Eater Lawn Tractor (2011-10) SCHEMATIC Ersatzteile
SCHEMATIC WE261 (96024000202) - Weed Eater Lawn Tractor (2011-10)

Hier finden Sie die Ersatzteilzeichnung für Poulan / Weed Eater Rasen und Gartentraktoren WE261 (96024000202) - Weed Eater Lawn Tractor (2011-10) SCHEMATIC. Wählen Sie das benötigte Ersatzteil aus der Ersatzteilliste Ihres Poulan / Weed Eater Gerätes aus und bestellen Sie einfach online. Viele Poulan / Weed Eater Ersatzteile halten wir ständig in unserem Lager für Sie bereit.


Qualitätsmanagement
Informieren Sie uns, wenn Sie einen Fehler gefunden haben.

