Poulan / Weed Eater PXT175G42 (96016002401) - Poulan XT Lawn Tractor (2011-03) MOWER DECK / CUTTING DECK Ersatzteile
MOWER DECK / CUTTING DECK PXT175G42 (96016002401) - Poulan XT Lawn Tractor (2011-03)

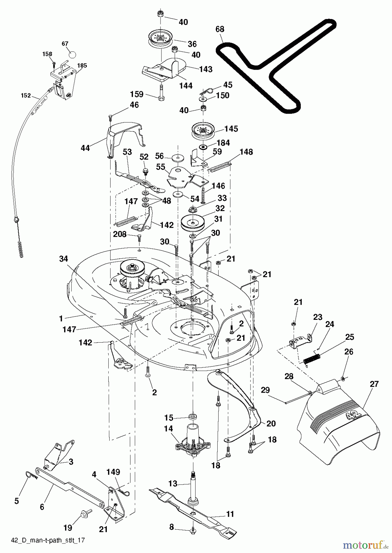
Hier finden Sie die Ersatzteilzeichnung für Poulan / Weed Eater Rasen und Gartentraktoren PXT175G42 (96016002401) - Poulan XT Lawn Tractor (2011-03) MOWER DECK / CUTTING DECK. Wählen Sie das benötigte Ersatzteil aus der Ersatzteilliste Ihres Poulan / Weed Eater Gerätes aus und bestellen Sie einfach online. Viele Poulan / Weed Eater Ersatzteile halten wir ständig in unserem Lager für Sie bereit.


Qualitätsmanagement
Informieren Sie uns, wenn Sie einen Fehler gefunden haben.

















