Poulan / Weed Eater PP22H50 - Poulan Pro Lawn Tractor Mower Deck Ersatzteile
Mower Deck PP22H50 - Poulan Pro Lawn Tractor

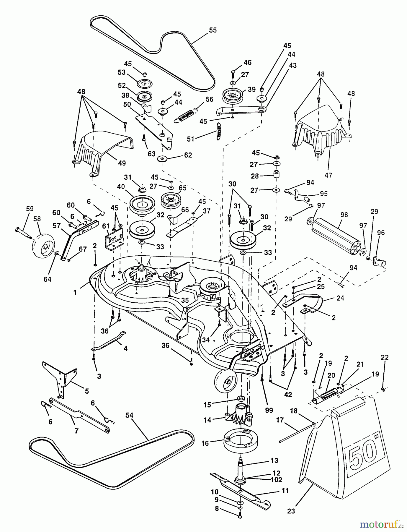
Hier finden Sie die Ersatzteilzeichnung für Poulan / Weed Eater Rasen und Gartentraktoren PP22H50 - Poulan Pro Lawn Tractor Mower Deck. Wählen Sie das benötigte Ersatzteil aus der Ersatzteilliste Ihres Poulan / Weed Eater Gerätes aus und bestellen Sie einfach online. Viele Poulan / Weed Eater Ersatzteile halten wir ständig in unserem Lager für Sie bereit.
| BildNr | Artikel Nummer | Bezeichnung | |
| 1 | 156990 | ||
| 2 | 73680500 | ||
| 3 | 72110506 | ||
| 4 | 7631J | ||
| 5 | 138457 | ||
| 6 | 4939M | ||
| 7 | 130832 | Ventilgehäuse | |
| 8 | 850857 | ||
| 9 | 10030600 | ||
| 10 | 140296 | 140296 | |
| 11 | 137380 | 137380 | |
| 12 | 129895 | ||
| 13 | 137553 | ||
| 14 | 137152 | ||
| 15 | 110485X | ||
| 16 | 140329 | ||
| 17 | 106735X | ||
| 18 | 19111016 | ||
| 19 | 105304X | ||
| 20 | 123713X | ||
| 21 | 137607 | ||
| 22 | 110452X | ||
| 23 | 110509X | ||
| 24 | 136320 | ||
| 25 | 19111216 | ||
| 27 | 19131316 | ||
| 28 | 132823 | ||
| 29 | 73800600 | ||
| 30 | 138776 | ||
| 31 | 137266 | ||
| 32 | 153535 | 153535 | |
| 33 | 129963 | ||
| 34 | 72140610 | ||
| 35 | 72110616 | ||
| 36 | 72110608 | ||
| 37 | 137166 | ||
| 38 | 156085 | ||
| 39 | 131494 | ||
| 40 | 136572 | 136572 | |
| 42 | 72140506 | ||
| 43 | 136460 | ||
| 44 | 122052X | ||
| 45 | 73680600 | ||
| 46 | 74760628 | ||
| 47 | 137200 | ||
| 48 | 137729 | ||
| 49 | 136574 | ||
| 50 | 137272 | ||
| 51 | 137273 | ||
| 52 | 139245 | ||
| 53 | 137789 | ||
| 54 | 139573 | ||
| 55 | 144959 | ||
| 56 | 138687 | ||
| 57 | 136577 | ||
| 58 | 146850 | ||
| 59 | 146851 | ||
| 60 | 139031 | ||
| 61 | 136573 | ||
| 62 | 133943 | Gleitkufe | |
| 63 | 72110612 | ||
| 64 | 19121414 | ||
| 65 | 151831 | ||
| 66 | 156009 | ||
| 67 | 73930600 | ||
| 94 | 74760616 | ||
| 95 | 132274 | ||
| 96 | 132273 | ||
| 97 | 19171416 | ||
| 98 | 132264 | ||
| 99 | 72110614 | ||
| 102 | 15-3390 | Maulschlüssel 1 1/4" | |
| 143651 | |||
| 158330 | |||


Qualitätsmanagement
Informieren Sie uns, wenn Sie einen Fehler gefunden haben.

