Poulan / Weed Eater PP2050D - Poulan Pro Lawn Tractor TRANSAXLE Ersatzteile
TRANSAXLE PP2050D - Poulan Pro Lawn Tractor

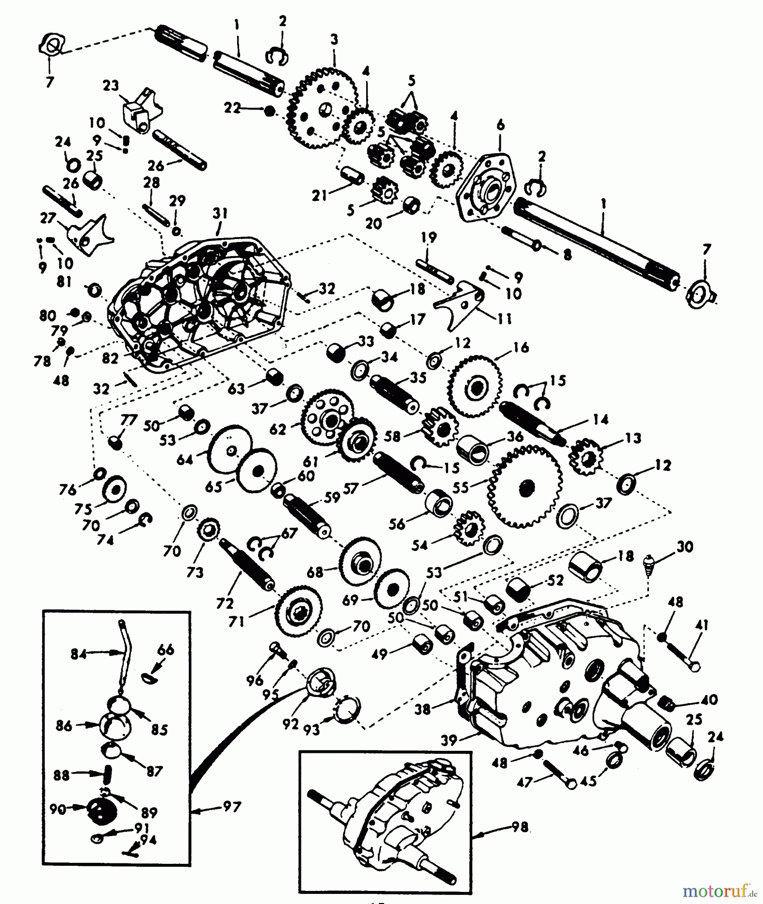
Hier finden Sie die Ersatzteilzeichnung für Poulan / Weed Eater Rasen und Gartentraktoren PP2050D - Poulan Pro Lawn Tractor TRANSAXLE. Wählen Sie das benötigte Ersatzteil aus der Ersatzteilliste Ihres Poulan / Weed Eater Gerätes aus und bestellen Sie einfach online. Viele Poulan / Weed Eater Ersatzteile halten wir ständig in unserem Lager für Sie bereit.



