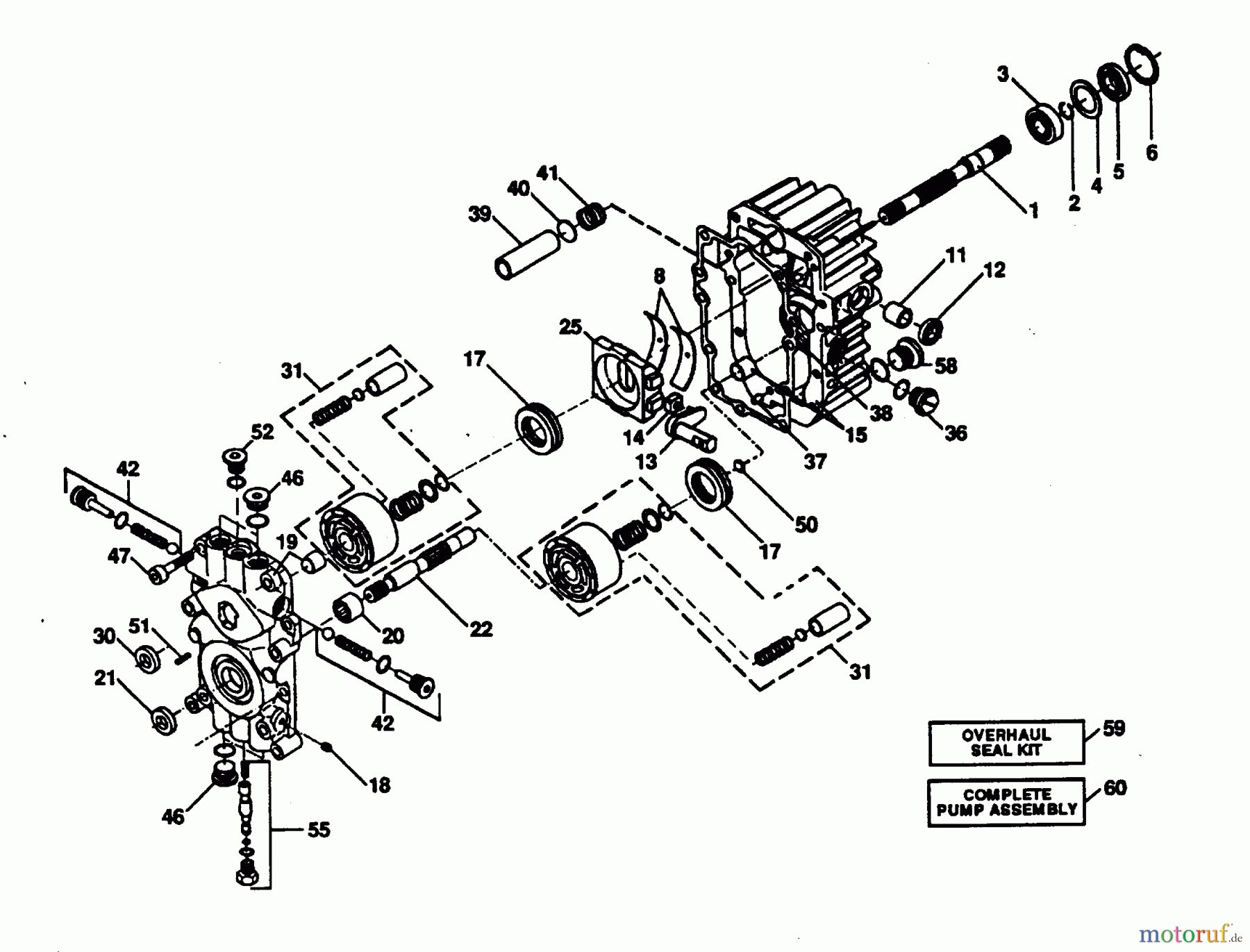
Poulan / Weed Eater PP16H44B - Poulan Pro Lawn Tractor PUMP ASSEMBLY Ersatzteile
PUMP ASSEMBLY PP16H44B - Poulan Pro Lawn Tractor

Hier finden Sie die Ersatzteilzeichnung für Poulan / Weed Eater Rasen und Gartentraktoren PP16H44B - Poulan Pro Lawn Tractor PUMP ASSEMBLY. Wählen Sie das benötigte Ersatzteil aus der Ersatzteilliste Ihres Poulan / Weed Eater Gerätes aus und bestellen Sie einfach online. Viele Poulan / Weed Eater Ersatzteile halten wir ständig in unserem Lager für Sie bereit.


Qualitätsmanagement
Informieren Sie uns, wenn Sie einen Fehler gefunden haben.

