Poulan / Weed Eater PP14542K - Poulan Pro Lawn Tractor MOWER DECK Ersatzteile
MOWER DECK PP14542K - Poulan Pro Lawn Tractor

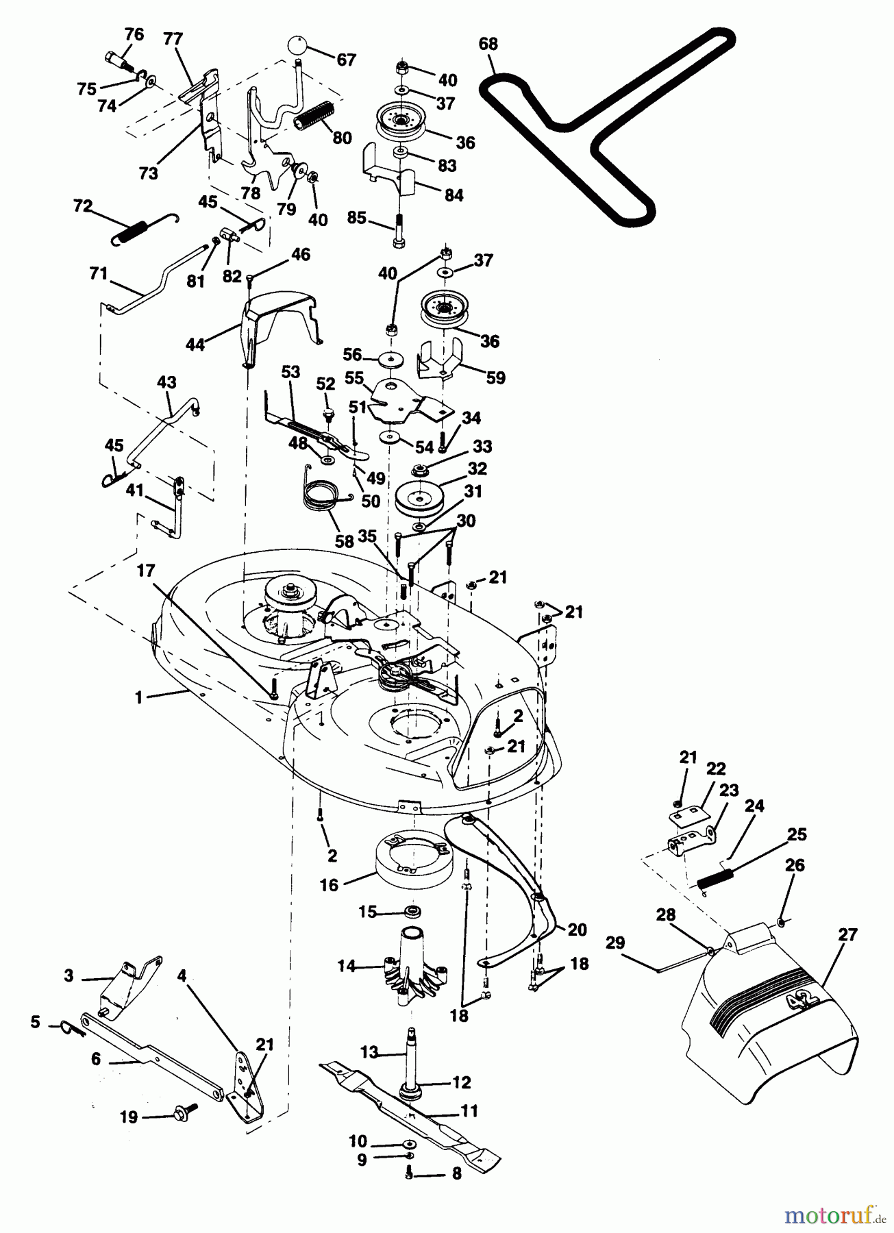
Hier finden Sie die Ersatzteilzeichnung für Poulan / Weed Eater Rasen und Gartentraktoren PP14542K - Poulan Pro Lawn Tractor MOWER DECK. Wählen Sie das benötigte Ersatzteil aus der Ersatzteilliste Ihres Poulan / Weed Eater Gerätes aus und bestellen Sie einfach online. Viele Poulan / Weed Eater Ersatzteile halten wir ständig in unserem Lager für Sie bereit.

















