Poulan / Weed Eater PP1442 - Poulan Pro Lawn Tractor TRANSAXLE FOOTE DANA - MODEL NUMBER 4360-19 Ersatzteile
TRANSAXLE FOOTE DANA - MODEL NUMBER 4360-19 PP1442 - Poulan Pro Lawn Tractor

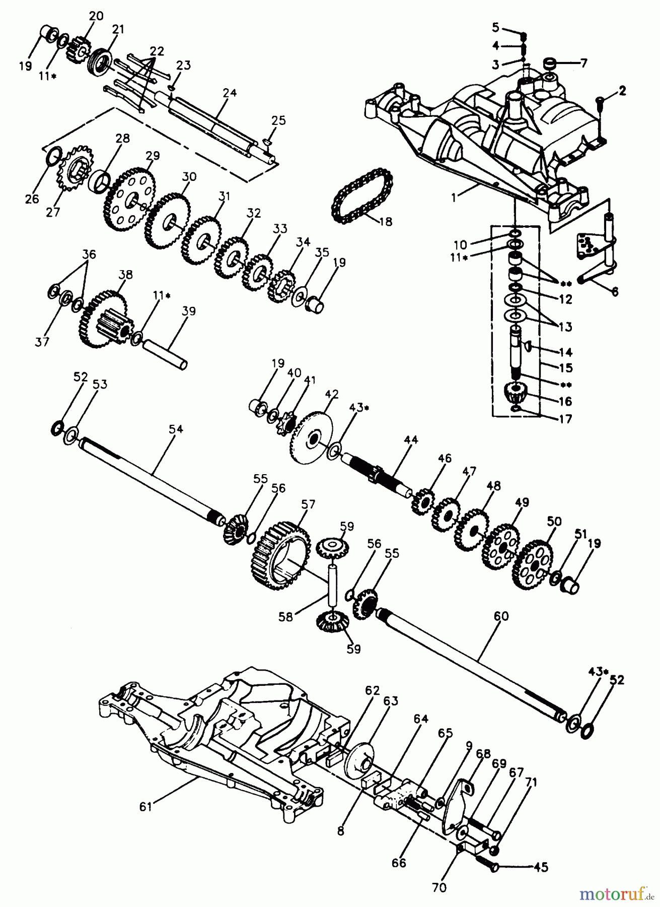
Hier finden Sie die Ersatzteilzeichnung für Poulan / Weed Eater Rasen und Gartentraktoren PP1442 - Poulan Pro Lawn Tractor TRANSAXLE FOOTE DANA - MODEL NUMBER 4360-19. Wählen Sie das benötigte Ersatzteil aus der Ersatzteilliste Ihres Poulan / Weed Eater Gerätes aus und bestellen Sie einfach online. Viele Poulan / Weed Eater Ersatzteile halten wir ständig in unserem Lager für Sie bereit.
| BildNr | Artikel Nummer | Bezeichnung | |
| 1 | 124643X | ||
| 2 | 74760412 | ||
| 3 | 68003 | Trimmer Spule für Bosch F 016 | |
| 4 | 105904X | ||
| 5 | 105905X | ||
| 6 | 124637X | ||
| 7 | 108727X | ||
| 8 | 120951X | ||
| 9 | 120993X | ||
| 10 | 2267J | ||
| 11 | 3413J | ||
| 11 | 2233J | ||
| 11 | 2232J | ||
| 11 | 2231J | ||
| 11 | 2230J | ||
| 11 | 2229J | ||
| 11 | 2228J | ||
| 11 | 2227J | ||
| 11 | 2226J | ||
| 11 | 105906X | ||
| 12 | 6725J | ||
| 13 | 120415X | ||
| 14 | 2257J | ||
| 15 | 106846X | ||
| 16 | 106095X | ||
| 17 | 105909X | ||
| 18 | 105910X | ||
| 19 | 105911X | ||
| 20 | 105912X | ||
| 21 | 105913X | ||
| 22 | 120468X | ||
| 23 | 2242J | ||
| 24 | 124638X | ||
| 25 | 2244J | ||
| 26 | 105916X | ||
| 27 | 120470X | ||
| 28 | 110070X | ||
| 29 | 109253X | ||
| 30 | 109254X | ||
| 31 | 124644X | ||
| 32 | 108980X | ||
| 33 | 120406X | ||
| 34 | 108455X | ||
| 35 | 105925X | ||
| 36 | 2232J | ||
| 37 | 108978X | ||
| 38 | 108981X | ||
| 39 | 124369X | ||
| 40 | 3422J | ||
| 41 | 105928X | ||
| 42 | 106605X | ||
| 43 | 108983X | ||
| 43 | 105930X | ||
| 43 | 105931X | ||
| 43 | 105932X | ||
| 43 | 3417J | ||
| 43 | 106097X | ||
| 43 | 2264J | ||
| 43 | 106098X | ||
| 43 | 2265J | ||
| 43 | 106586X | ||
| 43 | 106587X | ||
| 44 | 124640X | ||
| 45 | 106596X | ||
| 46 | 106151X | ||
| 47 | 124641X | ||
| 48 | 106589X | ||
| 49 | 120408X | ||
| 50 | 105937X | ||
| 51 | 2226J | ||
| 52 | 2272J | ||
| 53 | 2263J | ||
| 54 | 120474X | ||
| 55 | 120409X | ||
| 56 | 105941X | ||
| 57 | 110071X | ||
| 58 | 120952X | ||
| 59 | 106592X | ||
| 60 | 120475X | ||
| 61 | 124642X | ||
| 62 | 120961X | ||
| 63 | 7294J | ||
| 64 | 108989X | ||
| 65 | 120953X | ||
| 66 | 120954X | ||
| 67 | 120955X | ||
| 68 | 108992X | ||
| 69 | 108996X | ||
| 70 | 120956X | ||
| 71 | 73810500 | ||
| 72 | 120416X | ||


Qualitätsmanagement
Informieren Sie uns, wenn Sie einen Fehler gefunden haben.

