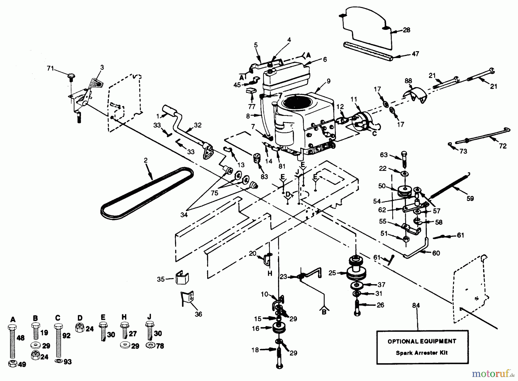
Poulan / Weed Eater PP12538 - Poulan Pro Lawn Tractor POWER & MECHANICAL GROUP Ersatzteile
POWER & MECHANICAL GROUP PP12538 - Poulan Pro Lawn Tractor

Hier finden Sie die Ersatzteilzeichnung für Poulan / Weed Eater Rasen und Gartentraktoren PP12538 - Poulan Pro Lawn Tractor POWER & MECHANICAL GROUP. Wählen Sie das benötigte Ersatzteil aus der Ersatzteilliste Ihres Poulan / Weed Eater Gerätes aus und bestellen Sie einfach online. Viele Poulan / Weed Eater Ersatzteile halten wir ständig in unserem Lager für Sie bereit.


Qualitätsmanagement
Informieren Sie uns, wenn Sie einen Fehler gefunden haben.







