Poulan / Weed Eater PP1236A - Poulan Pro Lawn Tractor ELECTRICAL Ersatzteile
ELECTRICAL PP1236A - Poulan Pro Lawn Tractor

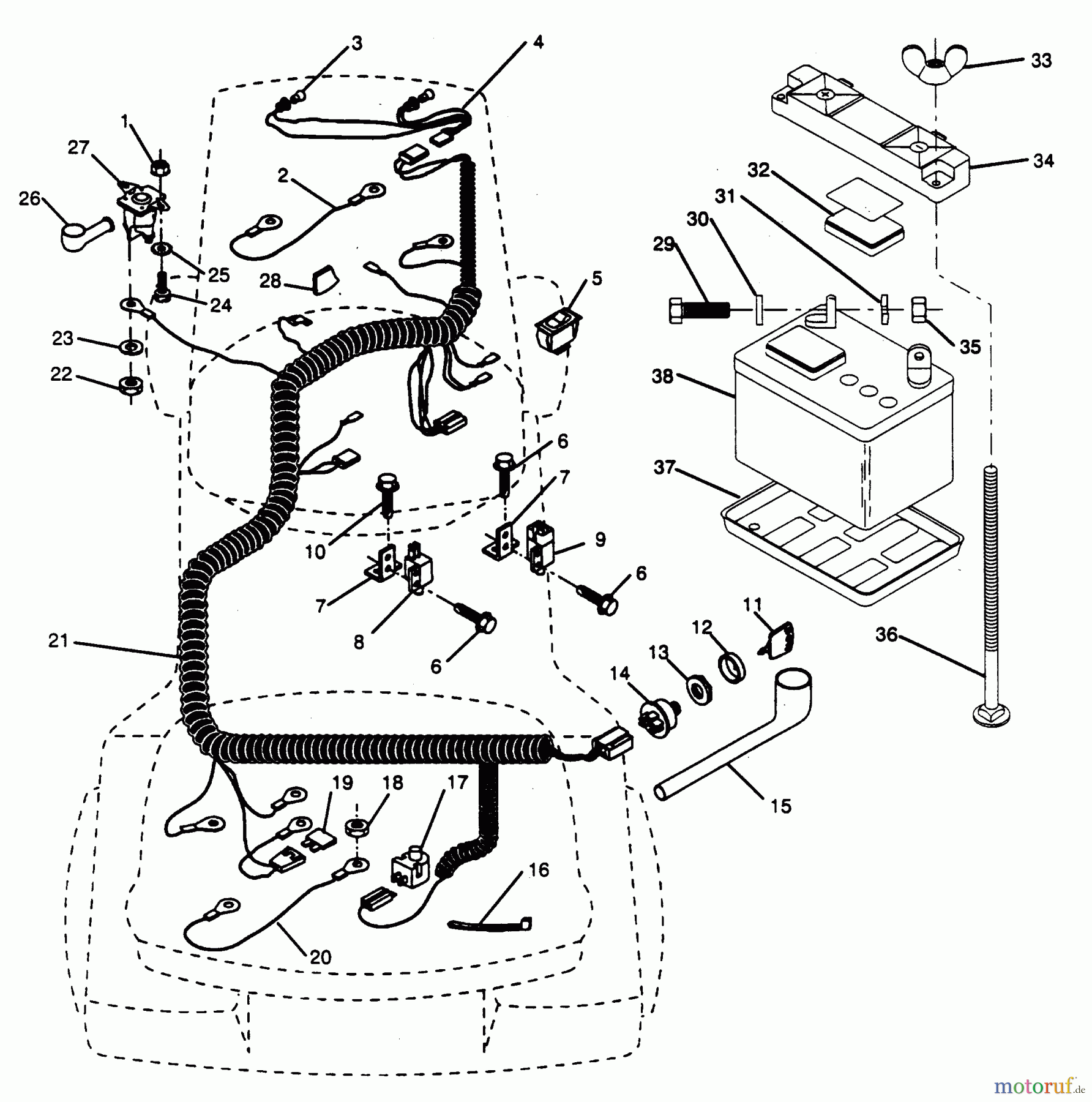
Hier finden Sie die Ersatzteilzeichnung für Poulan / Weed Eater Rasen und Gartentraktoren PP1236A - Poulan Pro Lawn Tractor ELECTRICAL. Wählen Sie das benötigte Ersatzteil aus der Ersatzteilliste Ihres Poulan / Weed Eater Gerätes aus und bestellen Sie einfach online. Viele Poulan / Weed Eater Ersatzteile halten wir ständig in unserem Lager für Sie bereit.


Qualitätsmanagement
Informieren Sie uns, wenn Sie einen Fehler gefunden haben.





