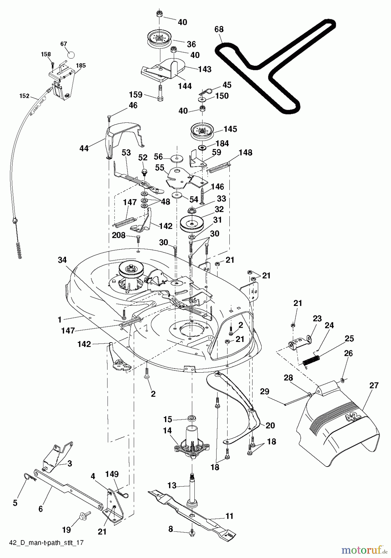
Poulan / Weed Eater PO17542LT (96012011001) - Poulan Lawn Tractor (2011-03) MOWER DECK / CUTTING DECK Ersatzteile
MOWER DECK / CUTTING DECK PO17542LT (96012011001) - Poulan Lawn Tractor (2011-03)

Hier finden Sie die Ersatzteilzeichnung für Poulan / Weed Eater Rasen und Gartentraktoren PO17542LT (96012011001) - Poulan Lawn Tractor (2011-03) MOWER DECK / CUTTING DECK. Wählen Sie das benötigte Ersatzteil aus der Ersatzteilliste Ihres Poulan / Weed Eater Gerätes aus und bestellen Sie einfach online. Viele Poulan / Weed Eater Ersatzteile halten wir ständig in unserem Lager für Sie bereit.




















