Poulan / Weed Eater PO17542LT (96012011000) - Poulan Lawn Tractor (2010-09) MOWER DECK / CUTTING DECK Ersatzteile
MOWER DECK / CUTTING DECK PO17542LT (96012011000) - Poulan Lawn Tractor (2010-09)

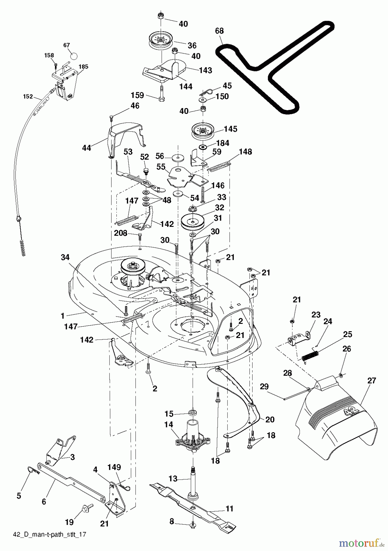
Hier finden Sie die Ersatzteilzeichnung für Poulan / Weed Eater Rasen und Gartentraktoren PO17542LT (96012011000) - Poulan Lawn Tractor (2010-09) MOWER DECK / CUTTING DECK. Wählen Sie das benötigte Ersatzteil aus der Ersatzteilliste Ihres Poulan / Weed Eater Gerätes aus und bestellen Sie einfach online. Viele Poulan / Weed Eater Ersatzteile halten wir ständig in unserem Lager für Sie bereit.


Qualitätsmanagement
Informieren Sie uns, wenn Sie einen Fehler gefunden haben.

















