Poulan / Weed Eater PO14538LT (96048002200) - Poulan Lawn Tractor (2012-02) ENGINE Ersatzteile
ENGINE PO14538LT (96048002200) - Poulan Lawn Tractor (2012-02)

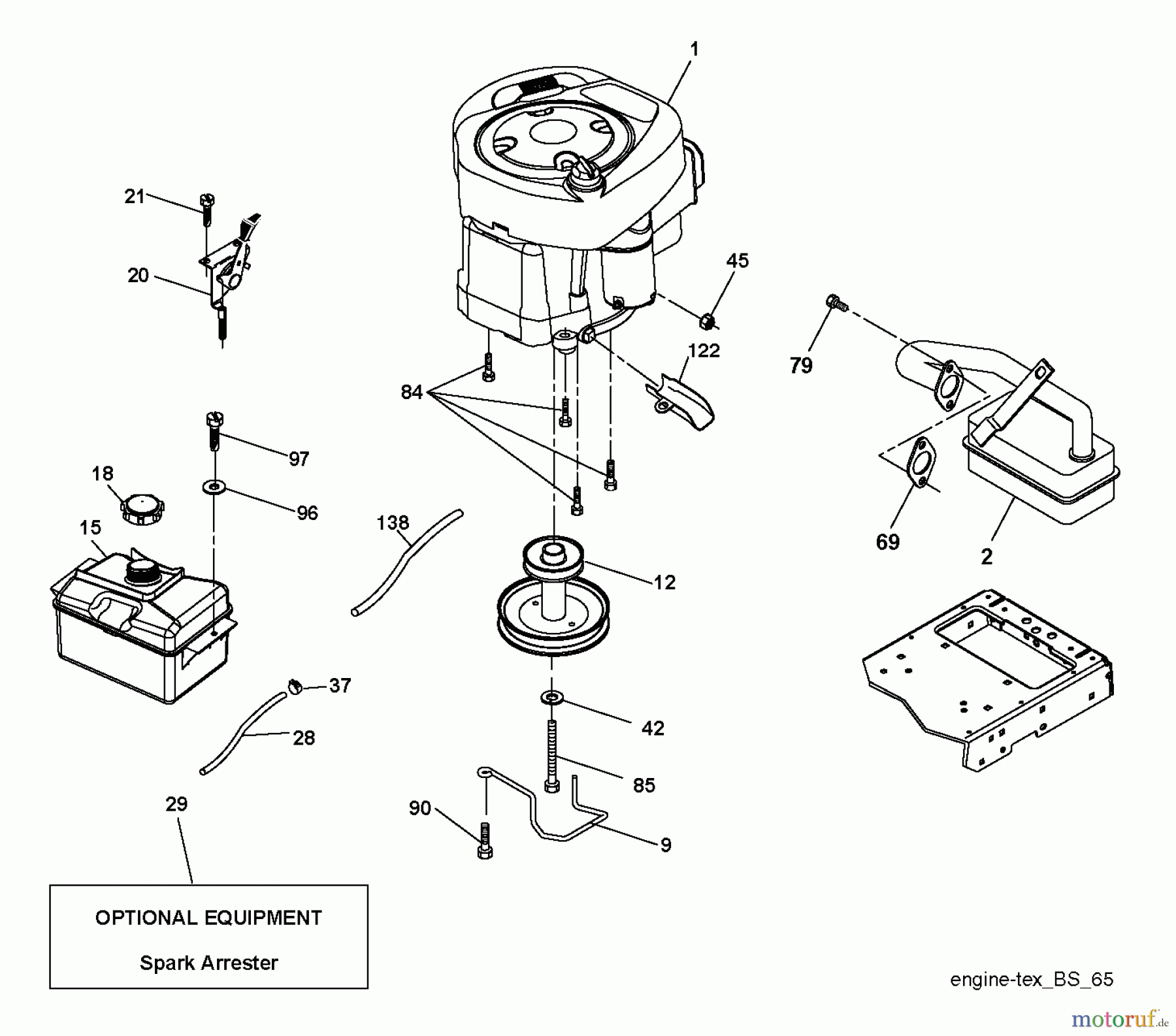
Hier finden Sie die Ersatzteilzeichnung für Poulan / Weed Eater Rasen und Gartentraktoren PO14538LT (96048002200) - Poulan Lawn Tractor (2012-02) ENGINE. Wählen Sie das benötigte Ersatzteil aus der Ersatzteilliste Ihres Poulan / Weed Eater Gerätes aus und bestellen Sie einfach online. Viele Poulan / Weed Eater Ersatzteile halten wir ständig in unserem Lager für Sie bereit.


Qualitätsmanagement
Informieren Sie uns, wenn Sie einen Fehler gefunden haben.


