Poulan / Weed Eater PBGT26H54 (96042011101) - Poulan Pro Lawn Tractor (2010-04) DRIVE Ersatzteile
DRIVE PBGT26H54 (96042011101) - Poulan Pro Lawn Tractor (2010-04)

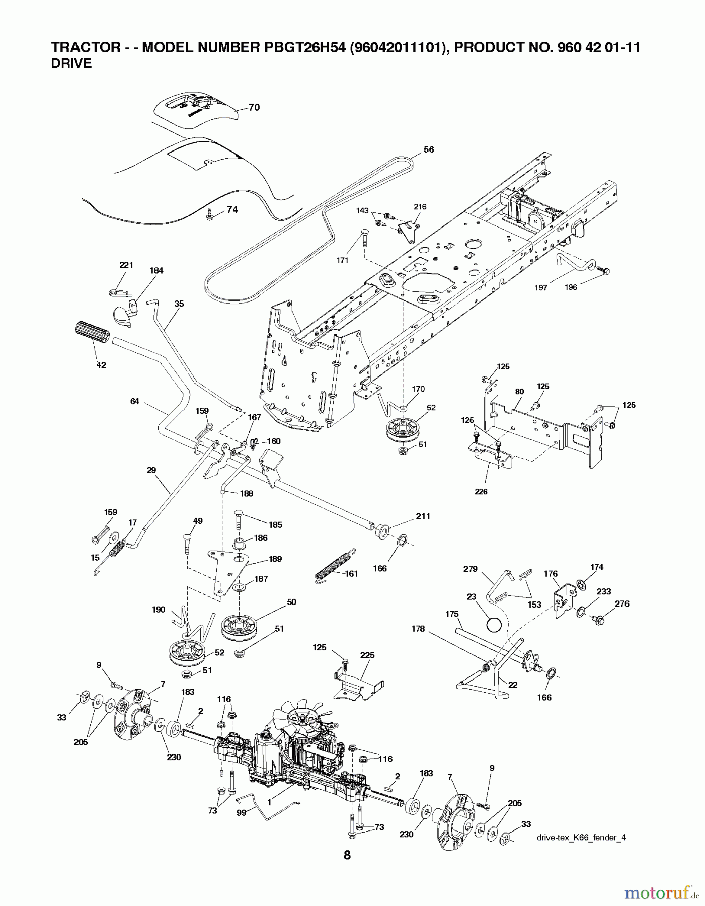
Hier finden Sie die Ersatzteilzeichnung für Poulan / Weed Eater Rasen und Gartentraktoren PBGT26H54 (96042011101) - Poulan Pro Lawn Tractor (2010-04) DRIVE. Wählen Sie das benötigte Ersatzteil aus der Ersatzteilliste Ihres Poulan / Weed Eater Gerätes aus und bestellen Sie einfach online. Viele Poulan / Weed Eater Ersatzteile halten wir ständig in unserem Lager für Sie bereit.


Qualitätsmanagement
Informieren Sie uns, wenn Sie einen Fehler gefunden haben.





