Poulan / Weed Eater PB38 (96022001700) - Poulan Pro 38" Rear-Engine Riding Mower (2011-10) CHASSIS ENCLOSURES Ersatzteile
CHASSIS ENCLOSURES PB38 (96022001700) - Poulan Pro 38" Rear-Engine Riding Mower (2011-10)

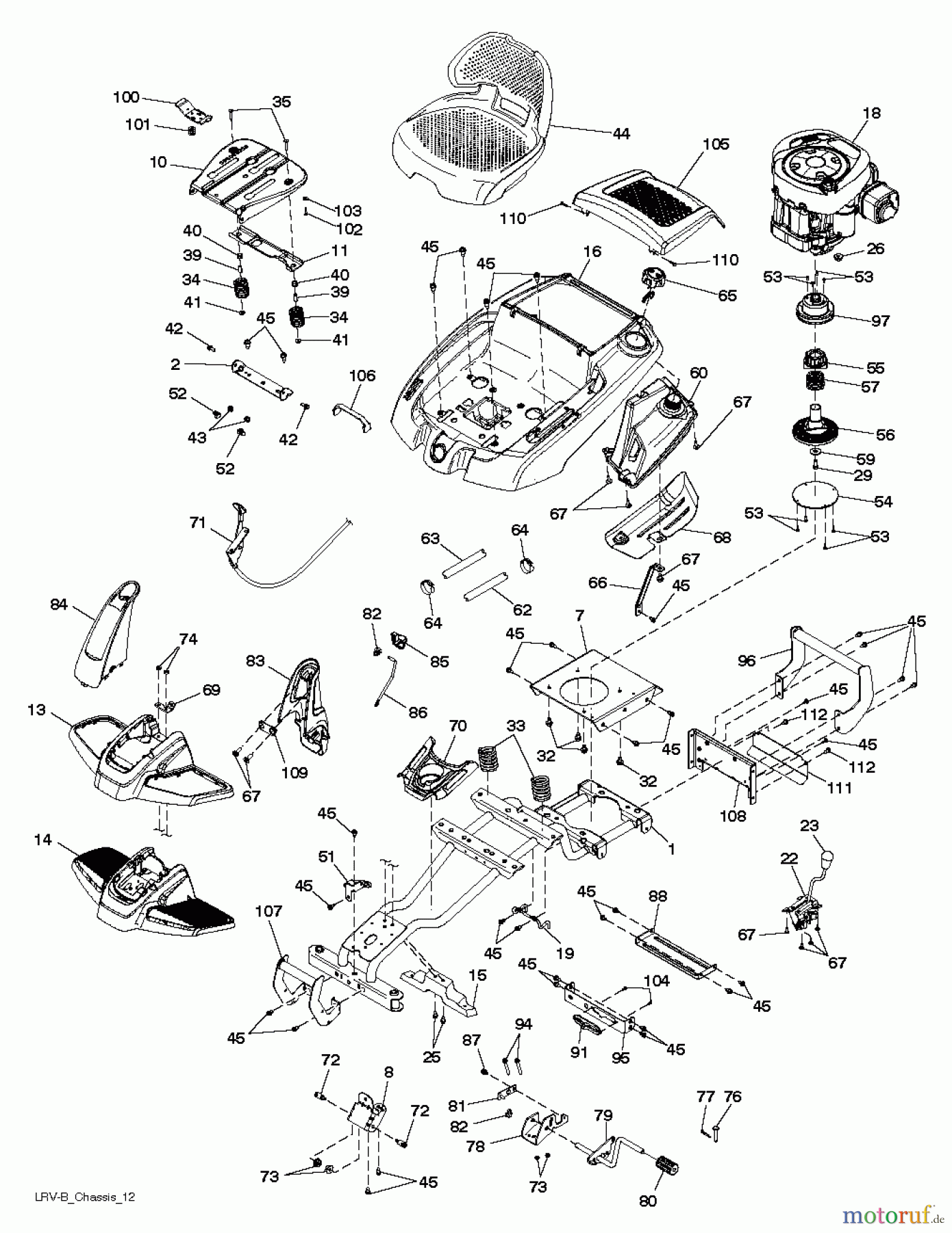
Hier finden Sie die Ersatzteilzeichnung für Poulan / Weed Eater Rasen und Gartentraktoren PB38 (96022001700) - Poulan Pro 38" Rear-Engine Riding Mower (2011-10) CHASSIS ENCLOSURES. Wählen Sie das benötigte Ersatzteil aus der Ersatzteilliste Ihres Poulan / Weed Eater Gerätes aus und bestellen Sie einfach online. Viele Poulan / Weed Eater Ersatzteile halten wir ständig in unserem Lager für Sie bereit.


Qualitätsmanagement
Informieren Sie uns, wenn Sie einen Fehler gefunden haben.



