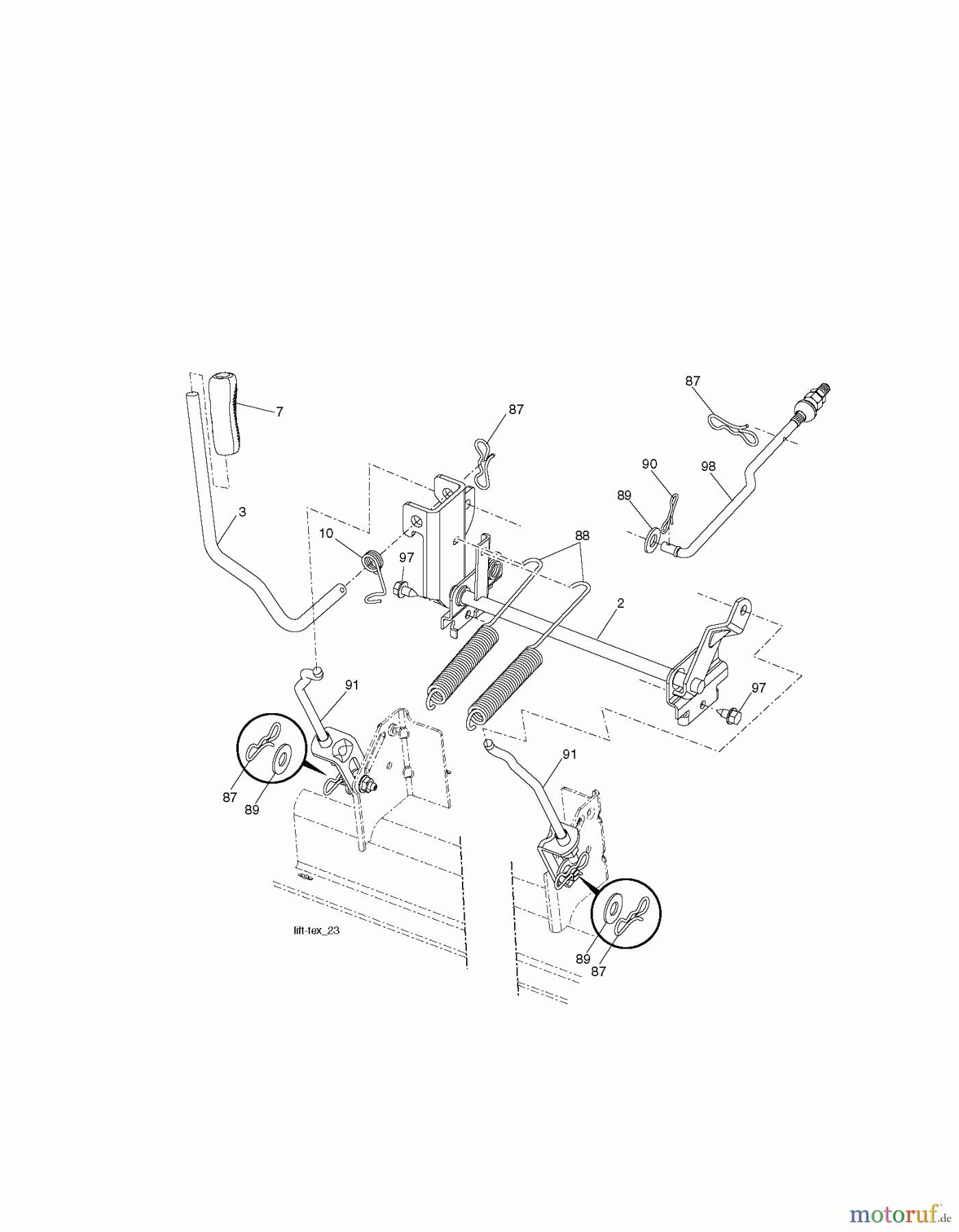
Poulan / Weed Eater PB26H54YT (96042012701) - Poulan Pro Lawn Tractor (2011-05) MOWER LIFT / DECK LIFT Ersatzteile
MOWER LIFT / DECK LIFT PB26H54YT (96042012701) - Poulan Pro Lawn Tractor (2011-05)

Hier finden Sie die Ersatzteilzeichnung für Poulan / Weed Eater Rasen und Gartentraktoren PB26H54YT (96042012701) - Poulan Pro Lawn Tractor (2011-05) MOWER LIFT / DECK LIFT. Wählen Sie das benötigte Ersatzteil aus der Ersatzteilliste Ihres Poulan / Weed Eater Gerätes aus und bestellen Sie einfach online. Viele Poulan / Weed Eater Ersatzteile halten wir ständig in unserem Lager für Sie bereit.
| BildNr | Artikel Nummer | Bezeichnung | |
| 2 | 532 42 20-27 | ACHSE | |
| 3 | 532 19 52-31 | HEBELARM | |
| 7 | 532 41 15-55 | GRIFF | |
| 10 | 532 19 63-14 | FEDER | |
| 87 | ![]() | 532 19 42-09 | FEDER |
| 88 | 532 41 07-10 | FEDER | |
| 89 | ![]() | 819 19 19-12 | SCHEIBE |
| 90 | ![]() | 532 19 42-08 | STIFT |
| 91 | 532 40 34-07 | GELENK HINTEN | |
| 97 | 817 00 06-12 | SCHRAUBE | |
| 98 | 532 19 52-64 | GELENK | |


Qualitätsmanagement
Informieren Sie uns, wenn Sie einen Fehler gefunden haben.




