Poulan / Weed Eater PB22H42YT (96048005100) - Poulan Pro Lawn Tractor (2012-11) DRIVE Ersatzteile
DRIVE PB22H42YT (96048005100) - Poulan Pro Lawn Tractor (2012-11)

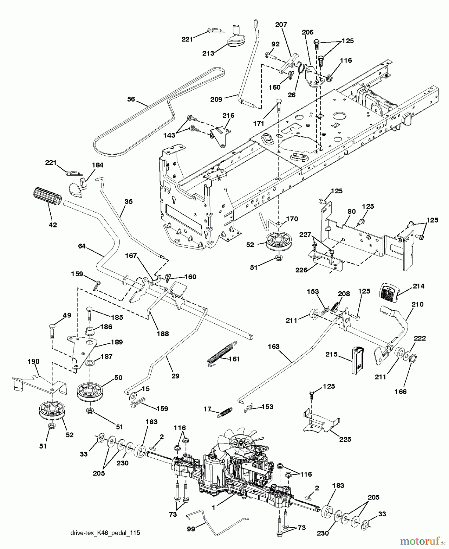
Hier finden Sie die Ersatzteilzeichnung für Poulan / Weed Eater Rasen und Gartentraktoren PB22H42YT (96048005100) - Poulan Pro Lawn Tractor (2012-11) DRIVE. Wählen Sie das benötigte Ersatzteil aus der Ersatzteilliste Ihres Poulan / Weed Eater Gerätes aus und bestellen Sie einfach online. Viele Poulan / Weed Eater Ersatzteile halten wir ständig in unserem Lager für Sie bereit.


Qualitätsmanagement
 Informieren Sie uns, wenn Sie einen Fehler gefunden haben.







