Poulan / Weed Eater PB20A42LT (96048002501) - Poulan Pro Lawn Tractor (2012-03) STEERING Ersatzteile
STEERING PB20A42LT (96048002501) - Poulan Pro Lawn Tractor (2012-03)

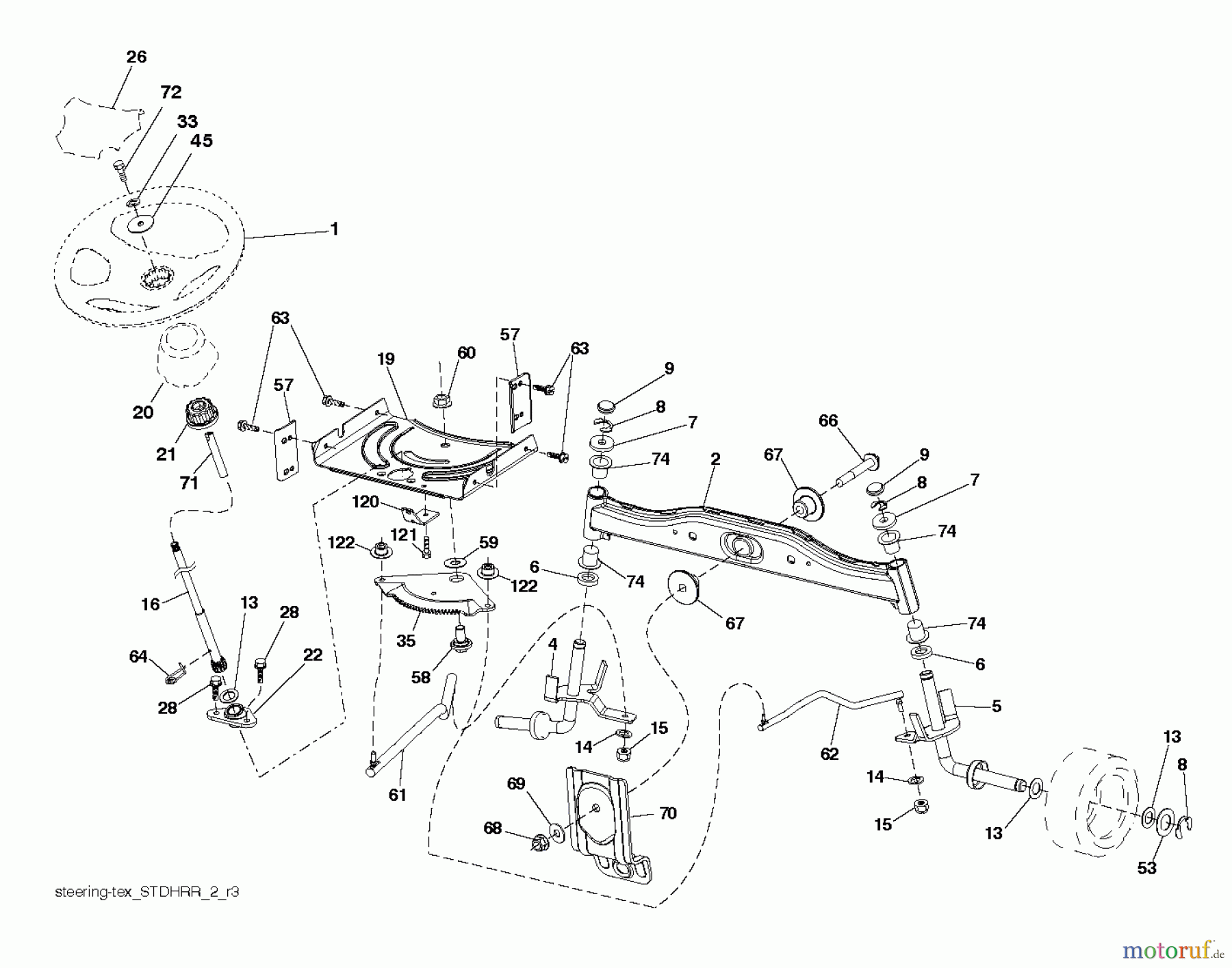
Hier finden Sie die Ersatzteilzeichnung für Poulan / Weed Eater Rasen und Gartentraktoren PB20A42LT (96048002501) - Poulan Pro Lawn Tractor (2012-03) STEERING. Wählen Sie das benötigte Ersatzteil aus der Ersatzteilliste Ihres Poulan / Weed Eater Gerätes aus und bestellen Sie einfach online. Viele Poulan / Weed Eater Ersatzteile halten wir ständig in unserem Lager für Sie bereit.


Qualitätsmanagement
Informieren Sie uns, wenn Sie einen Fehler gefunden haben.












