Poulan / Weed Eater PB195H42LT (96042012303) - Poulan Pro Lawn Tractor (2011-07) DRIVE Ersatzteile
DRIVE PB195H42LT (96042012303) - Poulan Pro Lawn Tractor (2011-07)

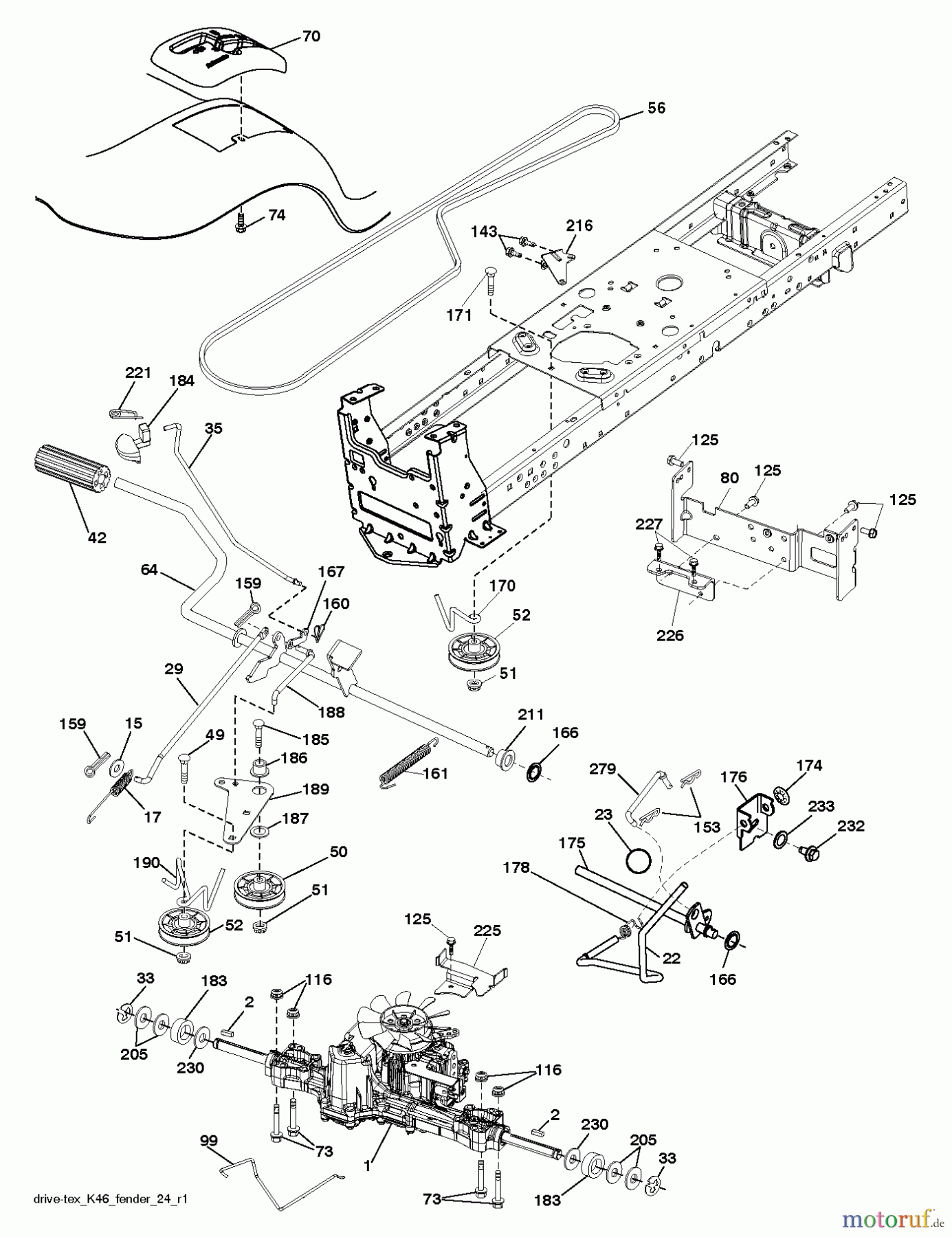
Hier finden Sie die Ersatzteilzeichnung für Poulan / Weed Eater Rasen und Gartentraktoren PB195H42LT (96042012303) - Poulan Pro Lawn Tractor (2011-07) DRIVE. Wählen Sie das benötigte Ersatzteil aus der Ersatzteilliste Ihres Poulan / Weed Eater Gerätes aus und bestellen Sie einfach online. Viele Poulan / Weed Eater Ersatzteile halten wir ständig in unserem Lager für Sie bereit.


Qualitätsmanagement
Informieren Sie uns, wenn Sie einen Fehler gefunden haben.







