Poulan / Weed Eater PB195A46LT (96042014701) - Poulan Pro Lawn Tractor (2012-12) ENGINE Ersatzteile
ENGINE PB195A46LT (96042014701) - Poulan Pro Lawn Tractor (2012-12)

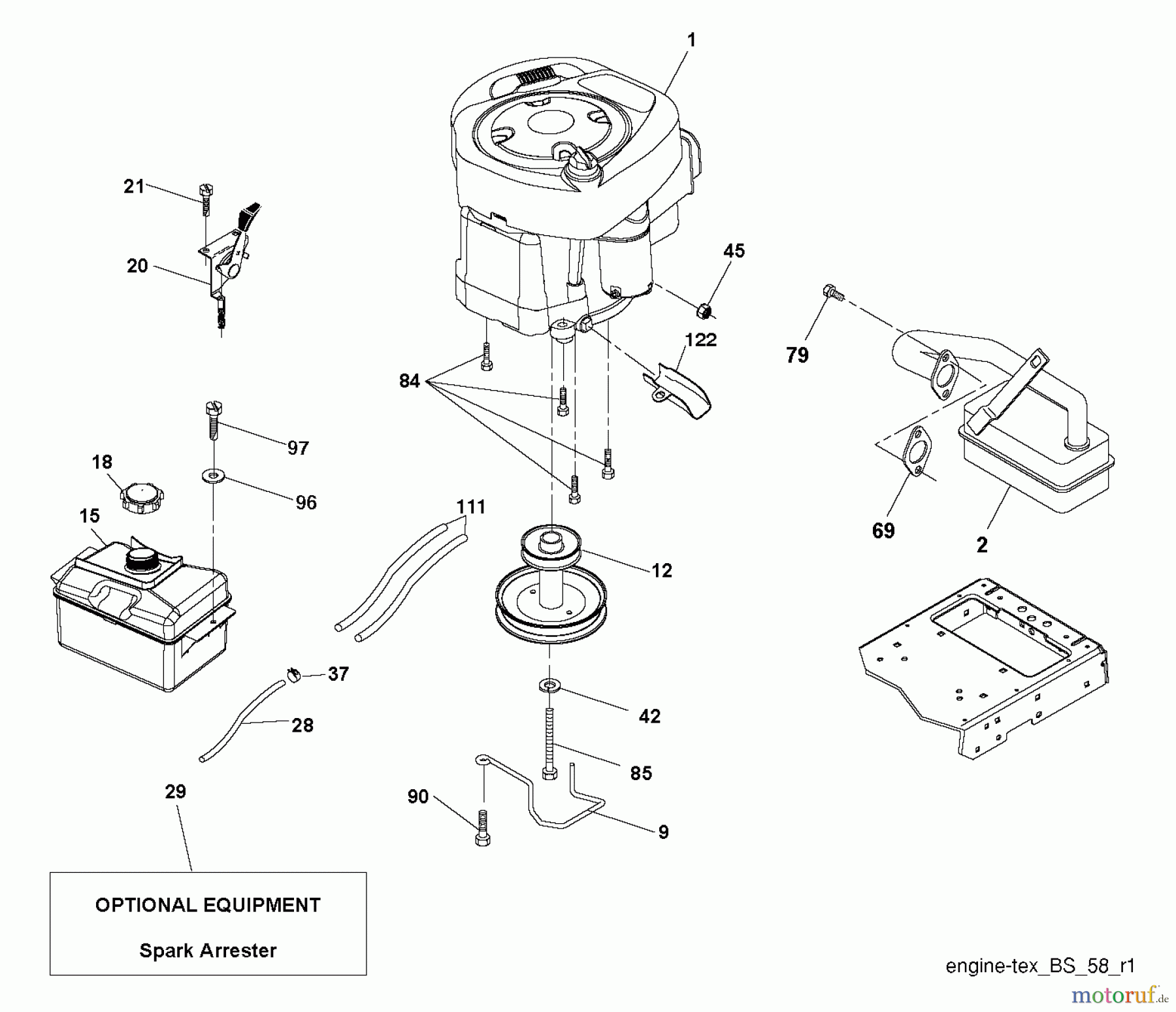
Hier finden Sie die Ersatzteilzeichnung für Poulan / Weed Eater Rasen und Gartentraktoren PB195A46LT (96042014701) - Poulan Pro Lawn Tractor (2012-12) ENGINE. Wählen Sie das benötigte Ersatzteil aus der Ersatzteilliste Ihres Poulan / Weed Eater Gerätes aus und bestellen Sie einfach online. Viele Poulan / Weed Eater Ersatzteile halten wir ständig in unserem Lager für Sie bereit.


Qualitätsmanagement
Informieren Sie uns, wenn Sie einen Fehler gefunden haben.


